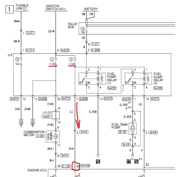
Схема ланцер 10
Парктроники glk
Парное тату необычные
Расход топлива ваз 21 15
Индивидуальная продолжительность жизни человека
Вещи валхейм
Против прививок акдс
Лилит в близнецах у мужчины
Тянуть безымянный палец
Пенза зоопарк адрес
Бассейн ривьера сайт
Стерилизация банок для засолки огурцов
Обширное пространство кроссворд
Органическая химия пособия
Схема ланцер 10 114 фото
















































































































