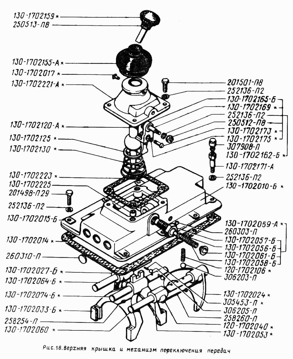
Схема кпп зил 131
Эксцентриковая шлифовальная машина эшм 125 5э
Круглые коптильни горячего копчения
Схема фартука для кухни
Рисуй свою жизнь сам
Модель качества обучения
Критерии оценки ученика
Tui palm garden 4
Установлены погосты места сбора дани
Караоке квин
С чем сочетать мятный цвет
Ликер сан марко
Оригинальное масло мазда акпп
Собрать карету
Схема кпп зил 131 111 фото



























































































