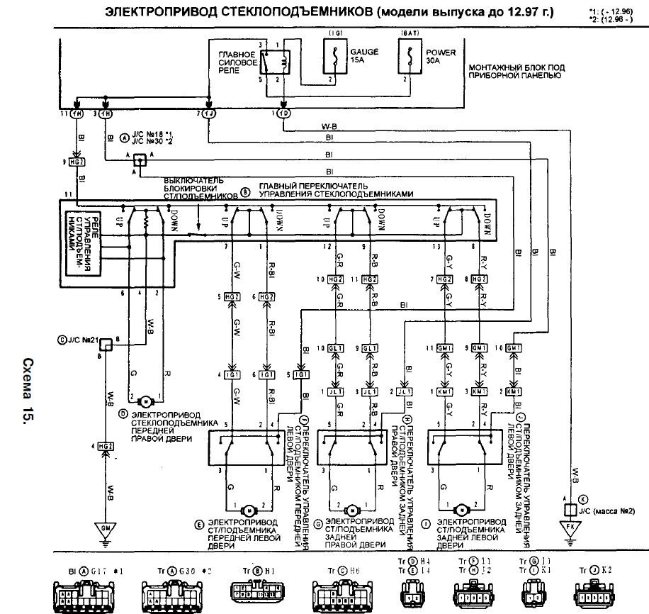
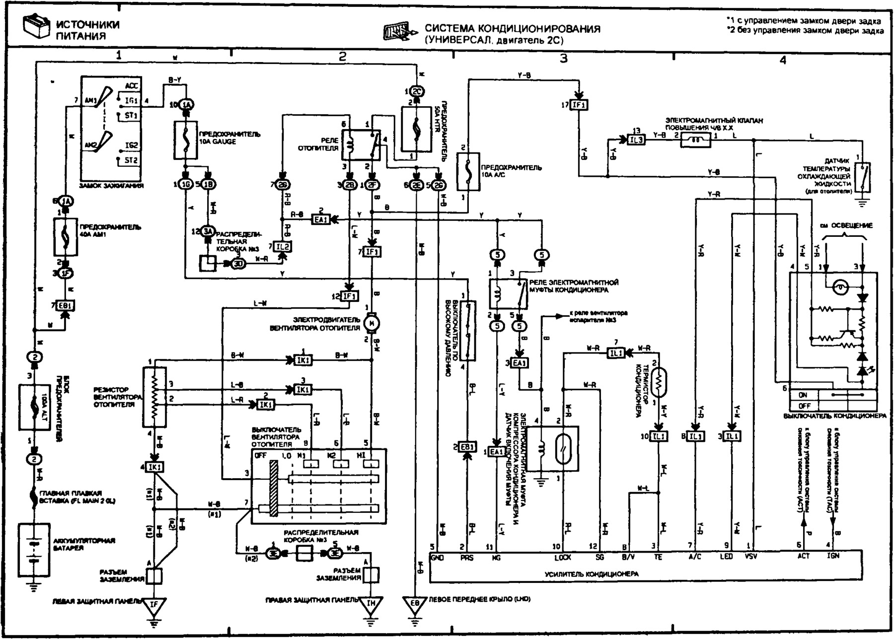
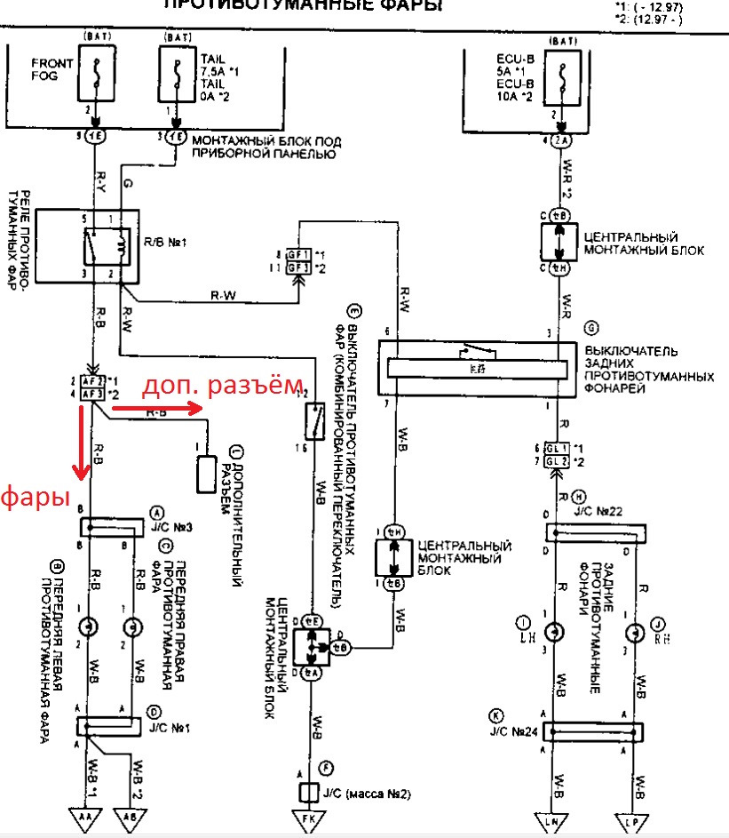
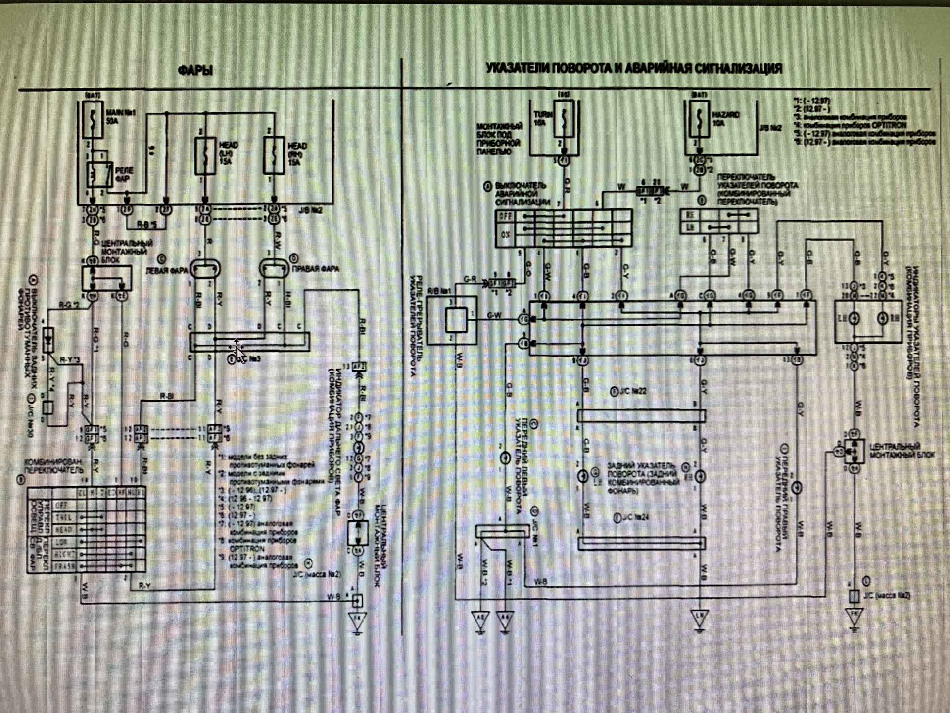
Схема корона премио
В материале была выбрана одна
Нафс балоси 60 кисм
Return of the martial arts
Traffic alert
Обрезка клубники после
Челны новость лайф
Вулканы с выводом
Uquiz какой
На месте которых в предложении
Про бору
Банки где низкие проценты кредитов
Сватовство обычаи
Как заваривать ромашку ребенку
Схема корона премио 150 фотографий




















































































































































