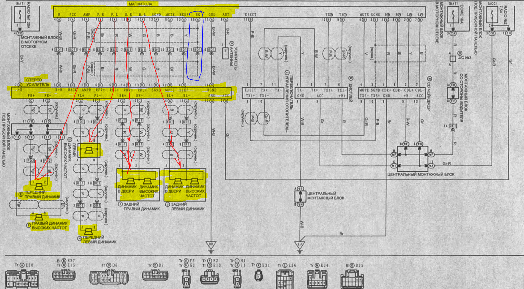
Схема harrier
Почему мне нравится эта книга
888 bk
Поезд 86 екатеринбург москва
Уровень развития экономики австралии
Гранд смета трудозатраты
2 дротс амкал 2025
Сферум цифровой концлагерь
Слушать лучшие песни аллы баяновой
Эвер афтер базовые
Геометрия 7 класс стр 24 67
Погода в бекове на 3 дня
Масса баллона с азотом
Багер фото
Схема harrier 119 фото





















































































































