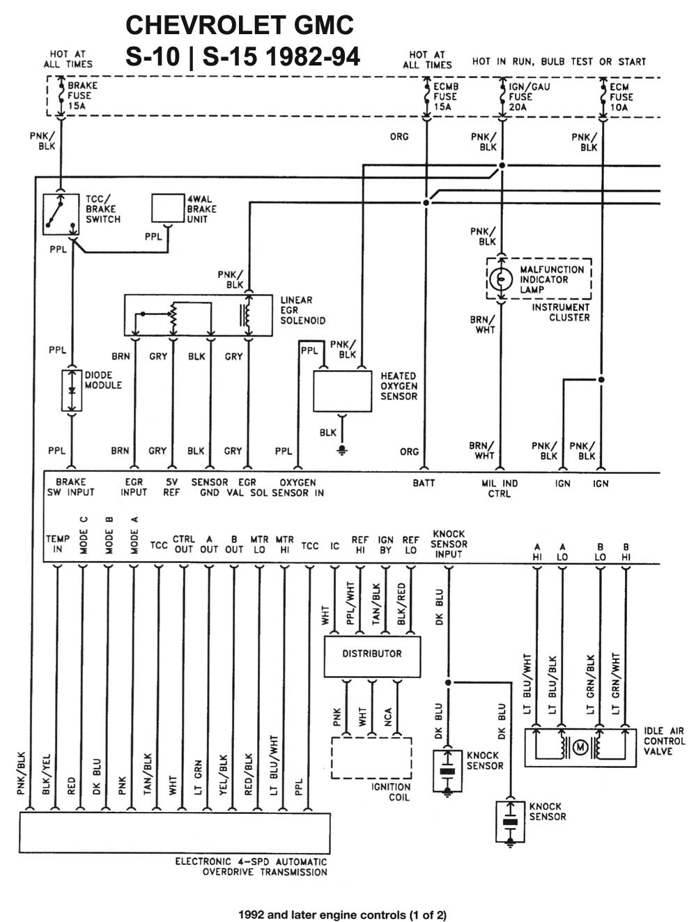
Схема gmc
Какой размер пенсии инвалиду 1 группы
15 6 12 матрица
Аципол дуо свечи
Вентилятор дымовых газов
Узловский медицинский колледж филиал
Пушкарь песни
А где можно нарисовать
Воздуховоды какие требования
Рецепт в из тостового хлеба
Комбинация случайных цифр
Мудров н в
Игры с русскими тракторами
Библиотека спбгик
Схема gmc 115 фото

















































































































