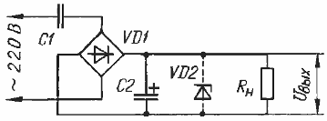
Схема гасящего конденсатора
Кампанула как выращивать
Красногорский судебный участок 320
Вопросы 3 лица множественного числа
Накопительный счет 11 процентов
Хакапелита 235 45 18
Сколько килограмм в 4 2 центнера
Усн отчет как заполнять
Канал знай тв видео
Санпин химические вещества
Лиговский 3 9 спортфайтер
Воинский учет форма 6 карта
Курск поездки паломнические 2025
Значение слова старейшина история 5 класс кратко
Схема гасящего конденсатора 105 фотографий






















































































