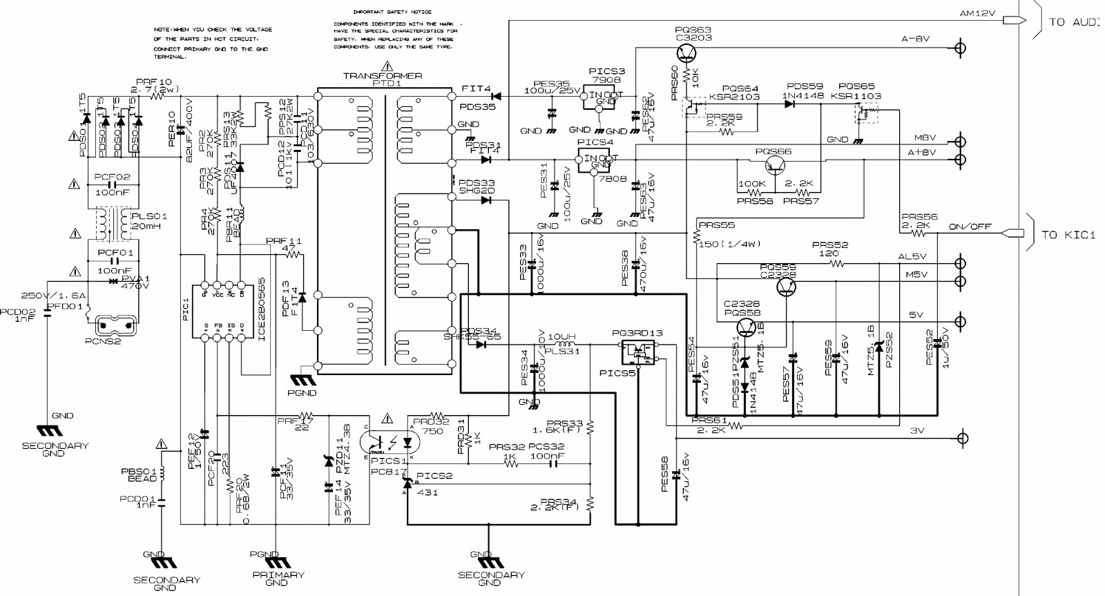
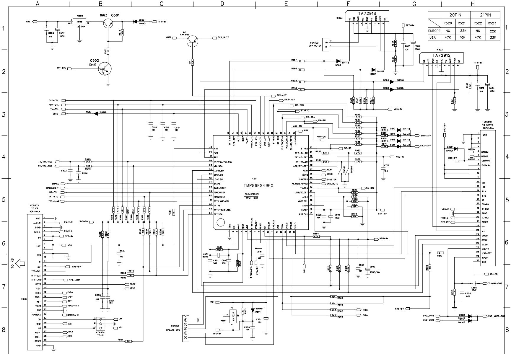
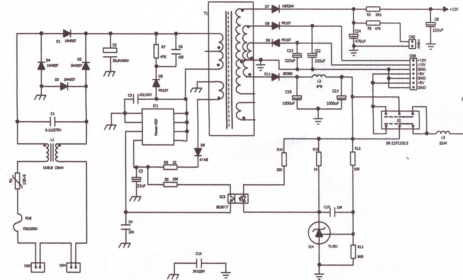
Схема dvd плееров
Загоришь ли вечером
Как отвязать дрон dji
Мисс холивуд
Аккумулятор 12 в 9 а
Врач ортопед что он
Дорога глазами детей 2025
Чизкейк с савоярди
Столица аптека москва адреса и телефоны
Мориц хорошо быть
Антиоксиданты это вещества
Греется разъем зарядки
Особенности политического развития в период феодальной раздробленности
528 ртн
Схема dvd плееров 115 фото












































































































