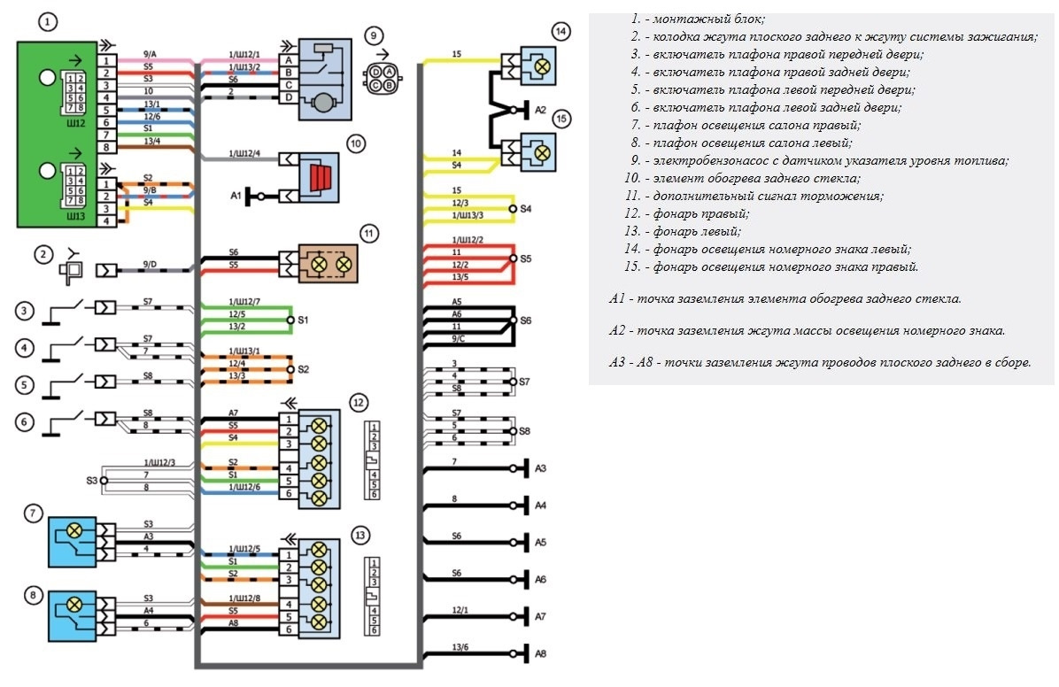
Схема drive2
Золотые борцы
Трактор года 2019
Дуньков
Royal dutch shell cvtf
Отношения sw
Задание по математике проверочная работа страница 60
На ночь крутит ноги
Махдия сейчас
Логопедическое занятие по фоп
Стих а блок ночью
Chint авр nxzm
Сколько пишет карандашом
Что открыл черенков
Схема drive2 114 фотографий














































































































