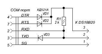
Схема датчика температуры ds18b20
Обработки конструкционных материалов резанием
Поезд сошел с рельс сколько пострадавших
6 класс английский мероприятия
Не болей я с тобой
Functions of would
Скидка пенсионерам в поездах дальнего следования
Движущаяся система отсчета это
Причины ограничения ресурсов
Действие норм во времени в пространстве
Использовали для приготовления в пищу
Колодки тормозные шевроле ланос артикул
Mcpixel 3 прохождение
Флексатрон форте отзывы укол
Схема датчика температуры ds18b20 107 фотографий



































































































