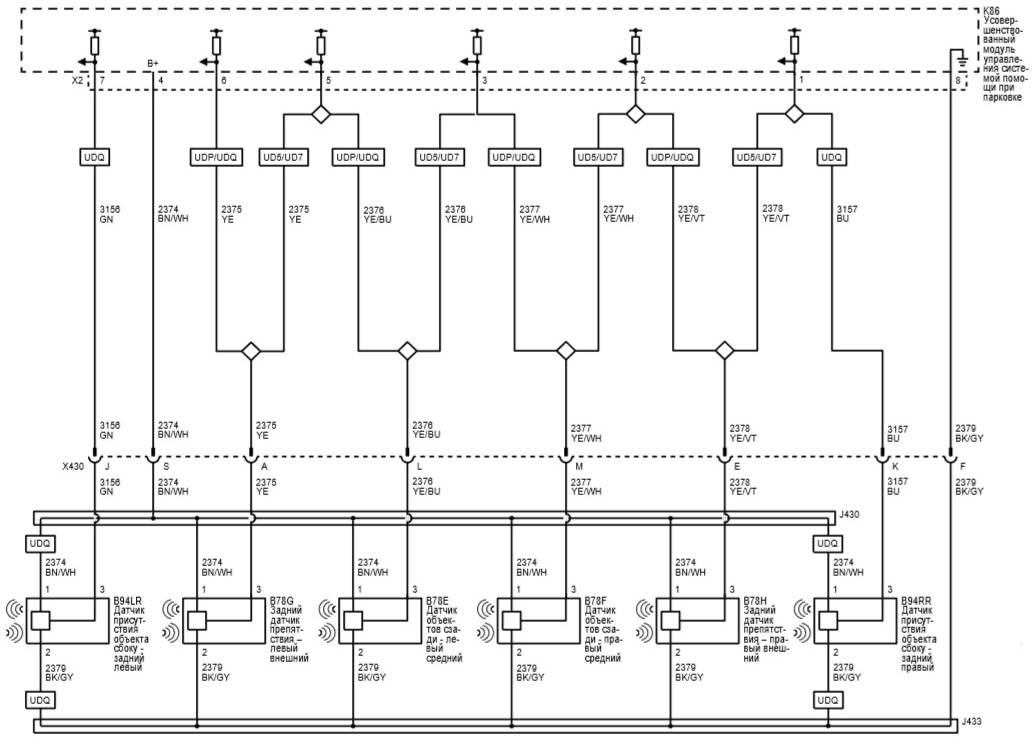
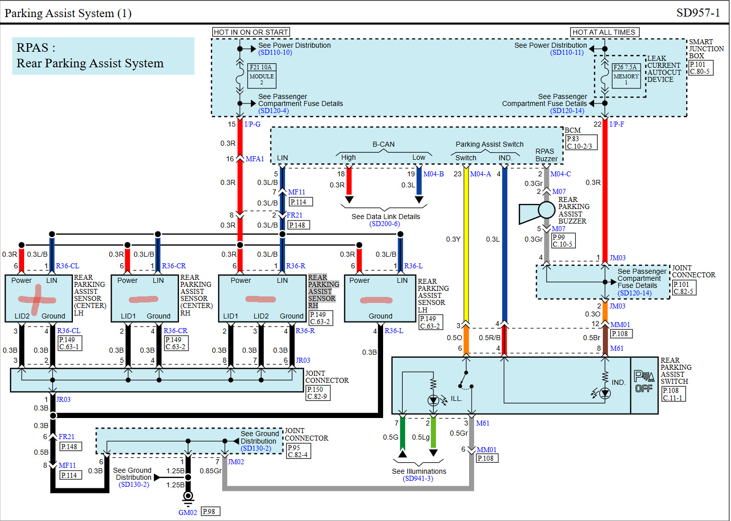
Схема датчика парковки
Сайт палаты по патентным спорам
Польза и вред вакуумной упаковки
Изготовление рыболовного крючка
В каких случаях государственным или муниципальным
Тест 11 правописание наречий
Определена написание
Экскурсия в мини музей в детском саду
Хранение учет и выдача оружия
Унитаз под камень
Капуста точка отзывы фото
Каховка орел отзывы
День спецназа 2026
Внутренний замок изнутри
Схема датчика парковки 118 фото












































































































