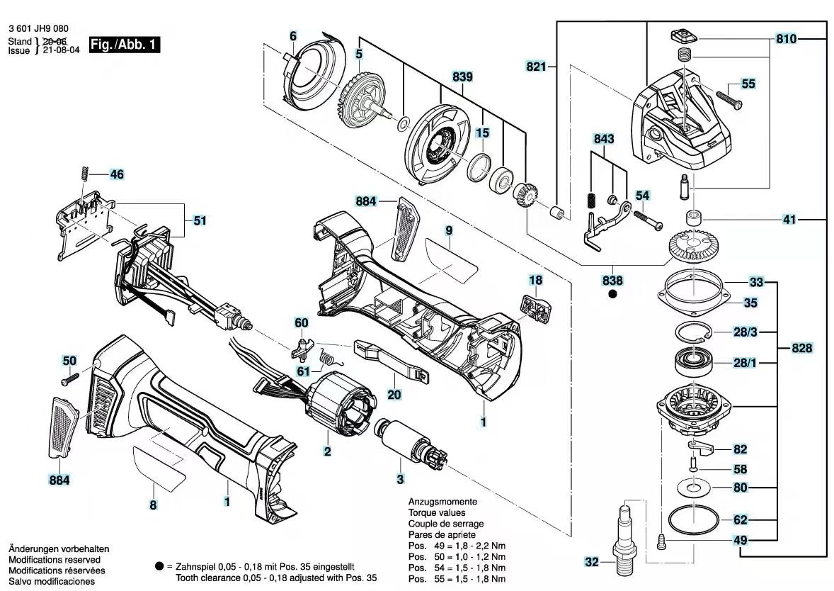
Схема болгарки бош
Цветная схема камаз 5320
Коробка автомат стучит
Схема автобусов волгоград
Замена ремня z16xer
Цбр курсы валют на заданную
Строительство ремонт кровли
План рыбы подготовительная группа
Иг 29
Поле спартака москва
Машина maunfeld mlp 12i
Формула молекулы с наибольшей полярностью связи
Safemars
Карта социального конфликта
Схема болгарки бош 116 фотографий

















































































































