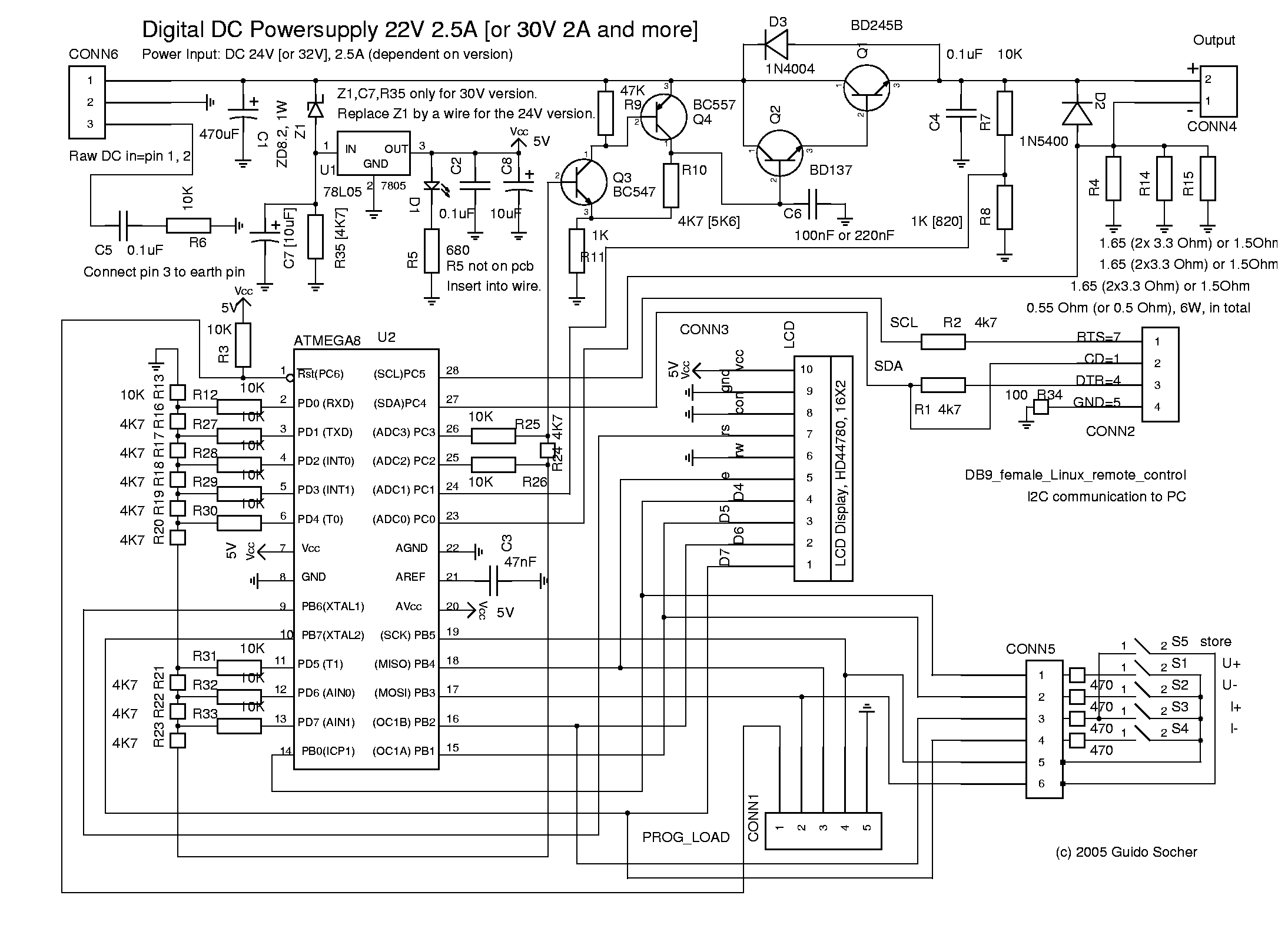
Схема блока микроконтроллера
Сочетание карт 7 пентаклей с другими
Учебник физика 8 класс перышкин 2025 читать
Иста строй
Танцевальное платье для девочек
Risk sport
Ханаб утан
Для суставов диацереин
Пригнать машину из армении
Кудри на носки видео
Біз мал баққан елміз
Сыр едят с медом и орехами
Бумага бытового назначения
Стойка для кпп гидравлическая
Схема блока микроконтроллера 122 фотографий












































































































