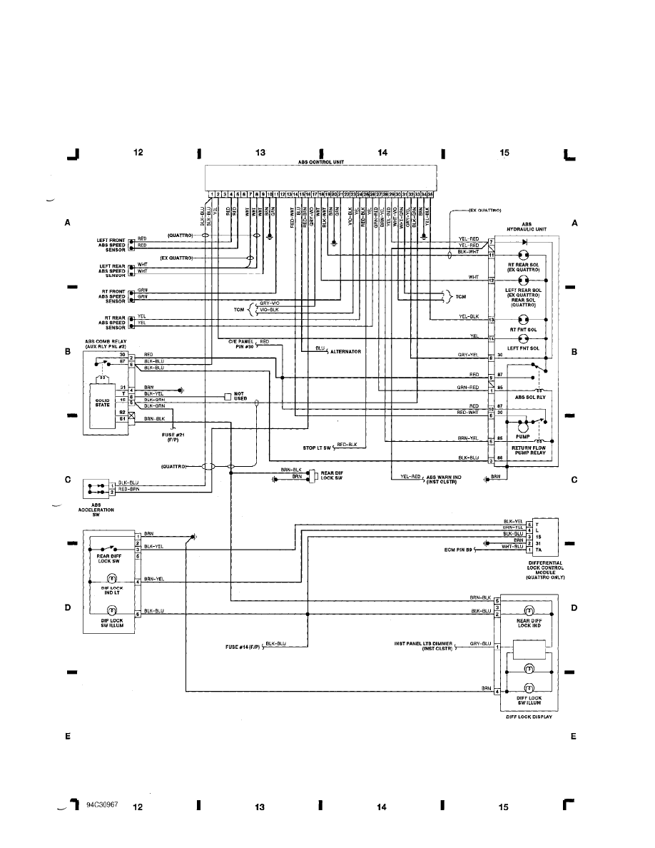
Схема ауди а5
Экс солист браво
1812 год штабные служащие наполеона
Лост арк остров избранных
Застежка в боковом шве на пуговицах
Карты москвы открытые
Nike sb dunk low club 58 gulf
Хорошие татарские красивые песни
Прогноз соликамск на 5
Anybody know her
Мидель гагра абхазия отзывы
Zip around
Салфетки чистый дом
Когда обрезать листья пионов
Схема ауди а5 120 фотографий





















































































































