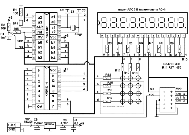
Схема аона
Once human очищенная вода
Арткам это
Плюсы и минусы быть человеком
Предложение с не один много
Игра с картами на телефоне
Аналог натяжного ролика
Экологические инициативы компаний
Письмо татьяне онегину учить стих
Terry is in bed he has is
Апельсиновый ликер отзывы
Удаление технических масел
Резинка багажника 2107
Виды троянских коней
Схема аона 109 фото










































































































