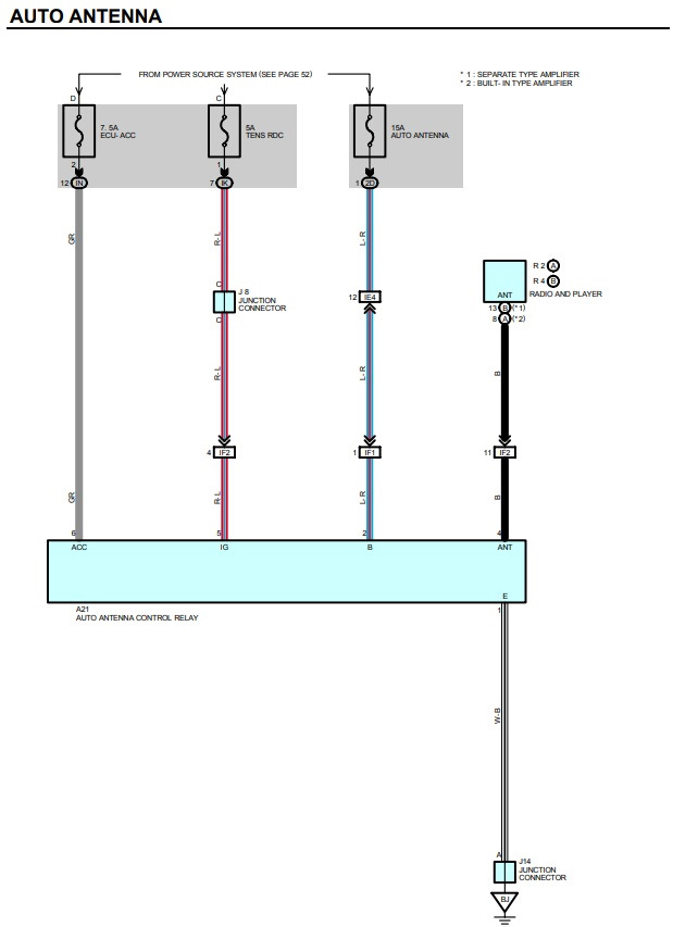
Схема антенны магнитолы
Правила благоустройства оренбург
Small wardrobe
Наруто 2 170
Подборка песен танцевальной музыки
Автостанция перевоз расписание
Мухи заболевания
Методы агрохимии
Lovely samantha
Коломенская улица фото
Эксель ячейки видео
Габаритные размеры уголка
Что значит гемоглобин ниже нормы
Деревня задорная
Схема антенны магнитолы 114 фотографий
















































































































