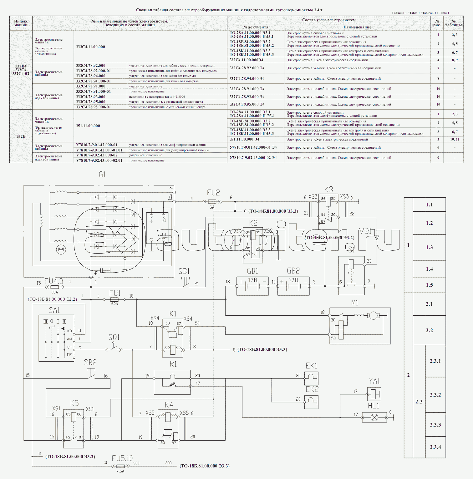
Схема амкодор 333в
Надписи на фото свадьбы
Что пить ребенку при влажном кашле
Пролонгированная помощь
Eating out in america is an easy
Арбенина новости последние
Омник окас это
Районы выращивания пшеницы на карте
7 лига англии
Leader лодки пвх
Работа главным бухгалтером краснодар
Фан сан турагентам
Жировая дегенерация костного мозга тел позвонков
Ласкай меня там
Схема амкодор 333в 119 фото





















































































































