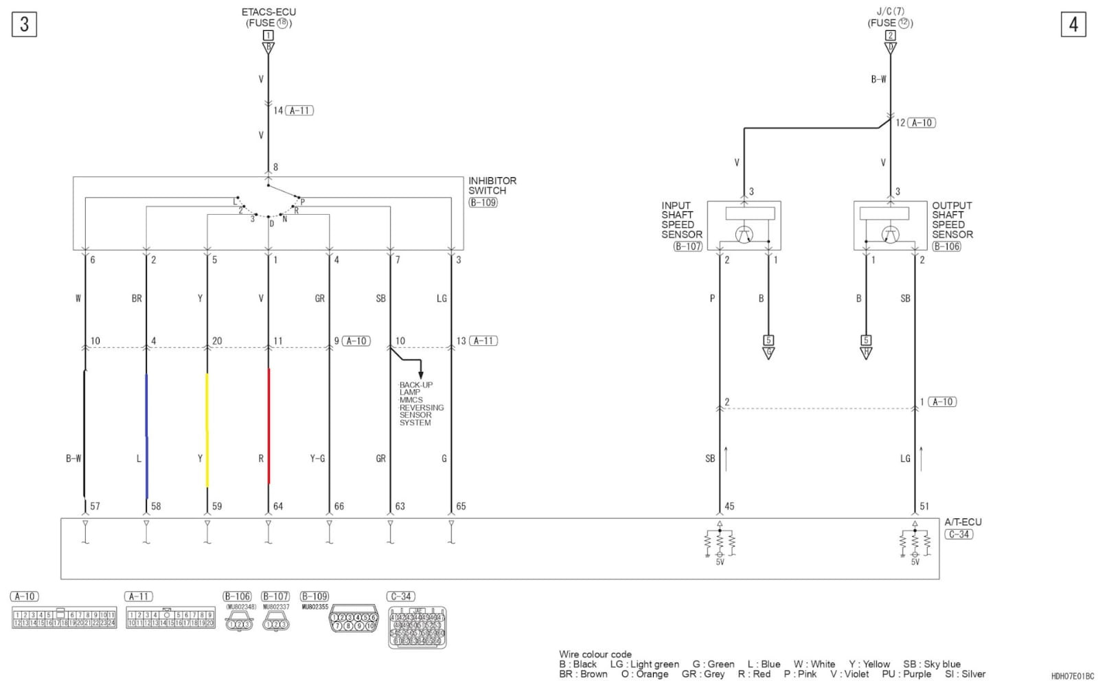
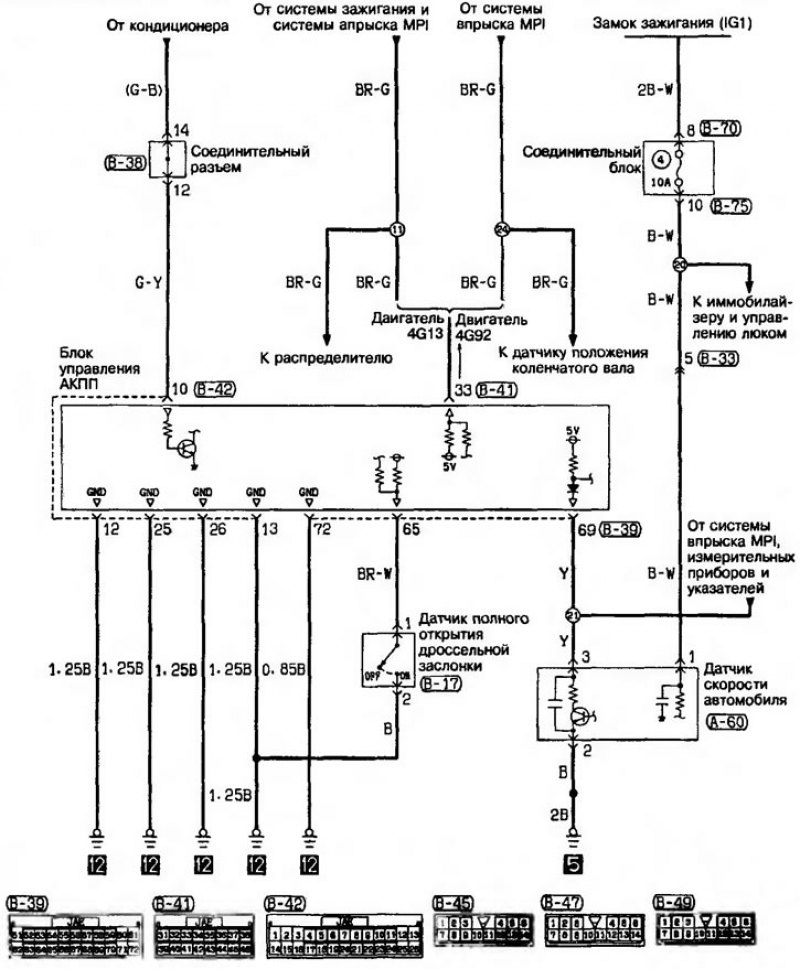
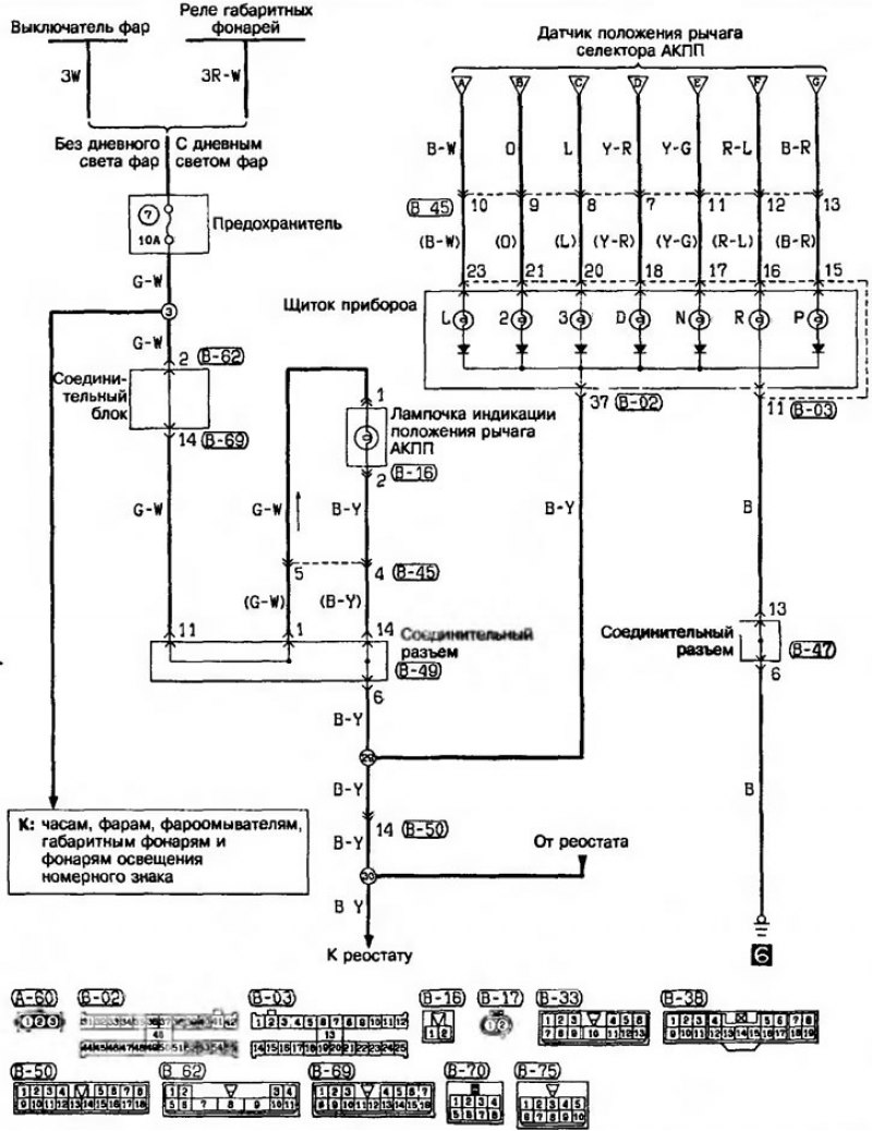
Схема акпп митсубиси
Схема акпп митсубиси 147 фото
Литературы древней греции кратко
Залить крапиву кипятком
Тонометр автоматический как выбрать для домашнего пользования
Микшерный пульт volta artist
Видеоурок фитнеса
Читы на амонг ас 2026.6 4
Сшить мужской галстук
Увидеть голос шоу
Флаг со зданием
Маршрут 33 тамбов
Долго идут месячные причины после 40 лет
Как разбавить краску с отвердителем
Шепот кремля последние новости
Король лев земля прайда
Тождественность требований
Рейтинг сухих кормов для стерилизованных кошек 2026
Перевод сотрудника на удаленку
Семейный капитал 2026 сумма
Compagnia del colore краска для волос
Discovery bay














































































































































