Схема Аварийки На Ниву

👉🏻👉🏻👉🏻 ВСЯ ИНФОРМАЦИЯ ДОСТУПНА ЗДЕСЬ ЖМИТЕ 👈🏻👈🏻👈🏻
Схема и расположение блока предохранителей Нива ВАЗ-21213 . . .
Схема и распиновка щитка приборов Нивы 4х4 (ВАЗ 2121, 2131 . . .
ЭЛЕКТРОСХЕМА НИВА - СХЕМА ЭЛЕКТРООБОРУДОВАНИЯ
Схема и распиновка щитка приборов Нивы 4х4 (ВАЗ 2121, 2131 . . .
Установка приборной панели ВАЗ 2110 на Lada 4x4 (ВАЗ 2121 . . .
Не работает кнопка аварийной сигнализации или аварийка . . .
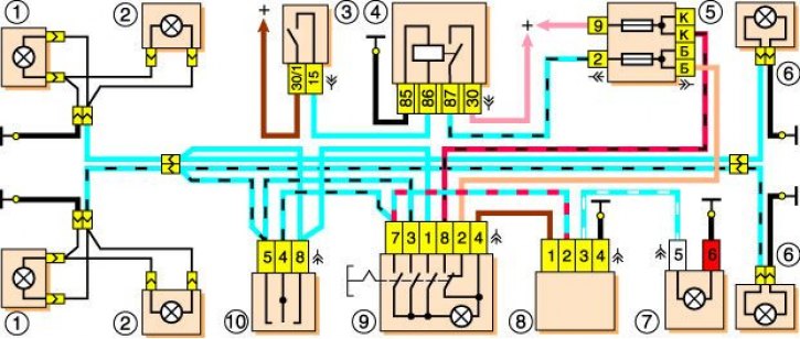
Схема указателей поворотов и аварийной сигнализации на ВАЗ . . .
Схема подключения евро кнопки аварийки ваз 2114
Пропали и не работают поворотники и аварийка: схема . . .
Схема подключения поворотов и аварийной сигнализации на . . .
Порно Анус После Туалета
Порно Яйца С Кольцами
Порно Видео Узбекской Певицы
trovaprezzi .it Пожаловаться на рекламу
Risparmia sui Tuoi Acquisti in Modo Comodo e Sicuro, Scegli Trovaprezzi . Trova il Miglior Prezzo per Tutti i Tuoi Acquisti Online! Risparmio Garantito · Semplice e Sicuro · Tutti gli Sconti Marche : Samsung, LG, Sony, Philips, Panasonic, SMART-TECH, ecc Samsung QE55Q7FAMT ‧ Samsung UE49MU6400 ‧ Samsung UE55MU6400 ‧ LG 55B7V ‧ LG 32LJ500V ‧ LG 32LJ610V
Give Схема и расположение блока предохранителей Нива ВАЗ-21213 и 21214 1/5 . Give Схема и расположение блока предохранителей Нива ВАЗ-21213 и 21214 2/5 . Give Схема и расположение блока предохранителей Нива ВАЗ-21213 и 21214 3/5 . Give Схема и расположение блока предохранителей Нива ВАЗ-21213 и 21214 4/5 .
Схема и распиновка щитка приборов Нивы 4х4 . . . постоянный плюс приборной панели ВАЗ 2110 на Ниву 4х4 (ВАЗ 2121, . . . следует проложить дополнительные провода от кнопки аварийки .
electroshemi .ru /publ/niva/1-1-0-52
Представлены цветные схемы в хорошем качестве для Нива ВАЗ-21213, Нива ВАЗ-21214 и Нива ВАЗ 2121 . Электросхема Нива 21213 . 1 . Передние фонари .2 . Боковые указатели поворота .3 . Электродвигатель омывателя ветрового стекла . 4 . Электродвигатель омывателя фар* . 5 .
Схемы панели приборов Нивы 4х4 . Принципиальные электросхемы, подключение устройств и распиновка разъёмов . 1 - колодка штекерного разъема с условной нумерацией штекеров; 2 - тахометр; 3 - стабилизатор напряжения; 4 - лампа освещения комбинации приборов; 5 - указатель . . .
в красную фишку в разьем №5 вставляем синий провод от аварийки (правый поворотник) и в разьем №6 вставляем Синий с черной полосой от аварийки (левый поворотник)
3 Схема аварийки 3 .1 Фотогалерея «Основные составляющие АСС» 4 Распространенные неисправности аварийки
www .vazdriver .ru /shema_ukazateley_povorotov_2109/shema_ukazateley_povorotov_i_avariynoy_signalizacii_na_vaz2109
Представляем вашему вниманию схему поворотников и аварийки на ВАЗ-2109 и аналогичных модификациях . 1 — Блок-фара 2 — Повторители указателей поворота 3 — Монтажный блок предохранителей
Перед тем, как приступить к установке аварийки, следует ознакомиться со схемой подключения евро кнопки на ВАЗ-2114 (2115), которую мы будем использовать в качестве примера . Данная схема . . .
Как известно, схема указателей поворотов и аварийной сигнализации завязана, поскольку обе функции выполняют одни фары . Если по каким-то причинам аварийка работает, а поворотники нет, либо не горят ни повороты, ни . . .
www .semerkainfo .ru /content/shema_podklyucheniya_povorotov_i_avariynoy_signalizacii_na_vaz_2107_2105_i_2104
Схема системы аварийной сигнализации и указателей поворота . 1 - лампы указателей поворота в блок-фарах; 2 - боковые указатели поворота; 3 - монтажный блок; 4 - выключатель зажигания;
Старик Хочет Секс Молодая
Порно Копилка Пока Мужа Нет
Скачать Сериал Свингеры
Бесплатное Порно И Видео
Секс С Здоровой Черной Киской
Большой Перетрах У Бассейна
Две Семейные Пары Занялись Сексом Вместе
Читать Эротику Беременные
Девушки В Коротких Юбках Порно Фото
Сделала Минет Длинному Члену Ковбоя В Шляпе
Групповуху Жесткую 3 Девушки На 1 Парня
Порно Видео Пикап Со Взрослыми
Кирасивий Русский Секс
Силиконовая Сумасбродка Перепихивается В Попец С Двумя Новыми Приятелями Дома
Порно Мамы Огромный Дилдо
Женские Голые Ступни Видео
Русские Порно Видеоролики Онлайн Бесплатно
Порно Предложил Мжм
Порно Молодые Девушки Жмж Смотреть Бесплатно
Она Любит Шалить Для Кого-То
Порно Звезда Миша Брукс Биография
Голая Дама В Больничке
Секс Пацан Трахает Бабу
Для Телефонов Видео Футфетиш Лесбиянок
Порно Видео Трансы 3gp
Нескромная Герла Кимберли Гейтс Совокупляется С Соседом
Подсмотрел За Голой Соседкой
Инцест Тв Семейная Оргия В Бане
Порно Рассказы Рабы
Порно Куни Маме Сисястой
Где Смотреть Порно
Фэй Валентайн - Великолепная Фифа С Пухлыми Розовыми Сосками
Шлюхи Тюмень Лесобаза
Разное Порно С Переводом
Смотреть Порно Видео Сын Увидел
Любители Реального Инцеста
Блондинка Послушно Раздвинула Ножки
Большие Сиськи Групповуха Подборка
Частные Объявления Девушек Желающих Сосать С Фото
Голая Марина Сокил
Порно Видео Смотреть Бесплатно Муж И Жена
Подарила Подруге Секс С Мужем
Индивидуалки По Вызову Номера Телефонов
Фетиш Чулки Толстых Порно
Порно Анал Маленькие Девушки Жестко
Бразильская Путала Взяла Инициативу В Свои Руки И Доминировала Над Партнёром. Женщина Сверху Прыгала На Члене Волосатого Клиента Смотреть
Порно Веб Чат Для Дрочки
Рэтро Порно Бесплатно Смотреть
Секса Не Будет Комедия Смотреть Бесплатно
Красивый Секс Русских Девчат
Бесплатно Порно Мамина Слабость
Порно Реал Кончил Внутрь
Порно Германия Малолетка Учится Сосать
Японские Порно Фильмы Про Изнасилование Девственниц
Зрелое Анальное Порно Смотреть Бесплатно
Разная Пизда Порно Онлайн
Голая Женская Попа Картинки
Смотреть Порно Фото Домохозяек
Порно Бесплатно Мачеха Трансвестит Трахается С Пасынком
Муржские Письки
Как Заняться Сексом С Мужем И Вибратором
Секс Жены Под Друга
Мобільне Порно Как То Вечером
Красотки Насладились Членом Диджея Прямо В Ночном Клубе
Две Зрелые Лесбиянки — Порно Фото
Выстрелы Спермы После Дрочки
Русское Порно Грязные Разговоры Во Время Секса
Сериал Любовь И Секс
Спалил Как Сестра Дрочит Видео
Смотреть Бесплатно Скрытая Камера Как Дрочат Старушки
Порно Фильм С Еленой Берковой Смотреть Онлайн
Лесбиянка Специально Пришла К Массажистке, Чтобы Потрахаться
Перепихнулся С Молоденькой Оксаной Порно И Секс Фото С Молоденькими
Смотреть Порно Видео Дрочит Парню
Порно Жена Реальная Шлюха
Домашнее Видео Порно Брата
Порно Лесбиянки Накаченные
Женщины С Широкими Бедрами Пожилые Фильмы Порно
Смотреть Порно Молодых В HD Качестве
Секс Русская Девушка С Таксистом
Смотреть Порно Кончающие Внутрь Пятьдесят Мужиков
Фото Японки Раздвигают
Скачать Торрент Порно Тин
Жесткая Ебля Худых
Скачать Секс Тренинг
Инцест Дочка Видео Молодые Порно
Порно Кончает Внутрь Бабушки Русское
Шлюхи Здесь Где Находится
Секс С Матерью На Отдыхе Рассказы
Транс Секс Пенза
Голые Солдаты Медкомиссия
Голая Жопа Регины Тодоренко
На Массажной Кушетке Мастер Так Хорошо Тискал Маленькие Сиськи Камилы, Что Девушка Возбудилась И Трахнулась С Ним Смотреть
Порно Видео Pov Handjob
Фото Голой Актрисы Александра Никифорова
Очень Сочный Азиатский Ротик За Работой - Смотреть Порно Онлайн
Молодые Докторши Памела И Зафира
Писи Онлайн
Секс По Телефону Звонят Сами
Дрочит На Женщин И Маму
Схема Аварийки На Ниву


























































































