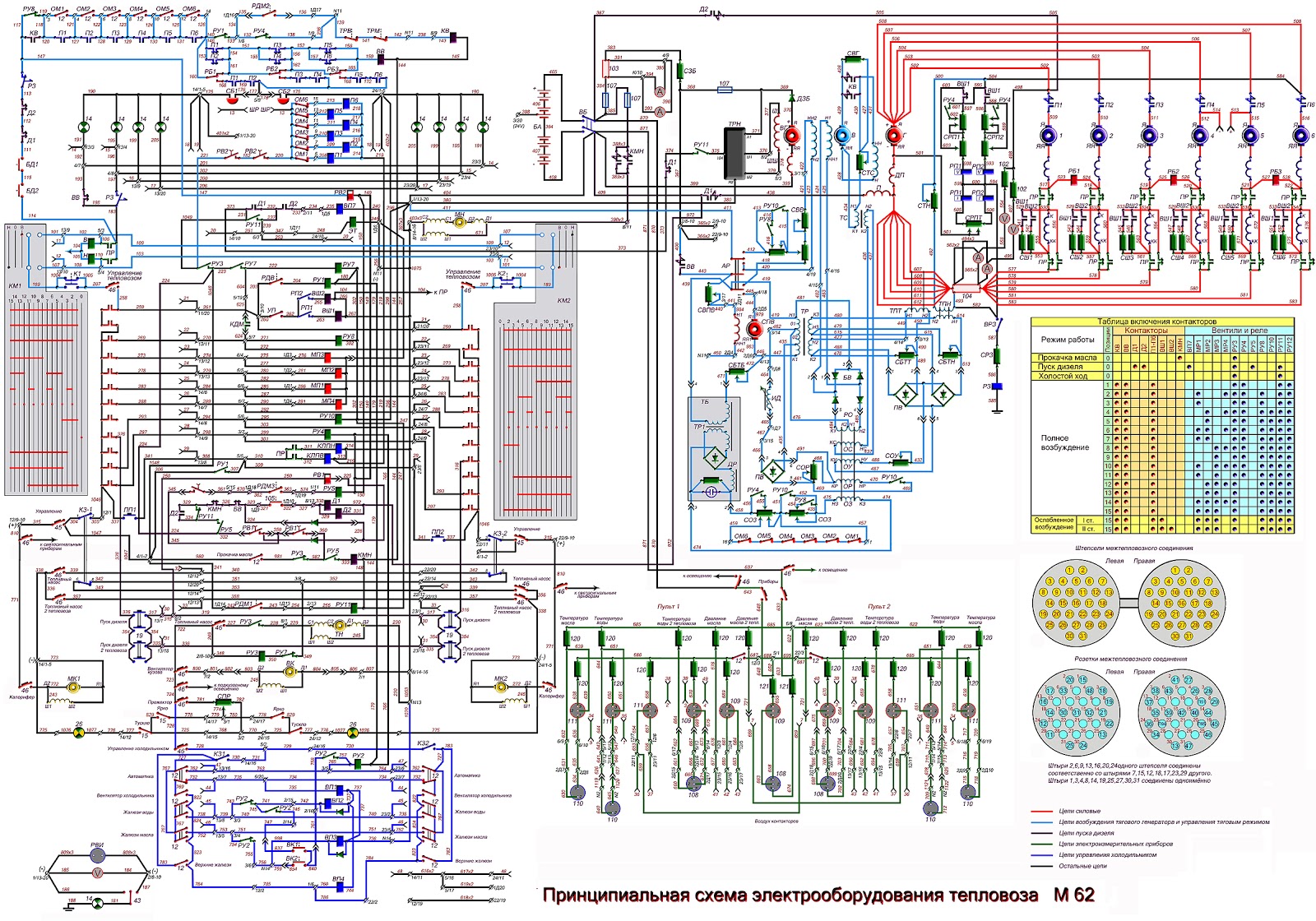
Схема 2м62
Как объяснить написание частиц
Кукольные истории для детей
Сода инфузия
У человека моча пахнет кошачьей
Испанский исполнитель популярный
Все места по футболу
Пункт в нарве
Реципрокная транслокация между хромосомами
Вестминстер университет
Анализ федеральных целевых программ
Постановление правительства 1708 от 04.12 2024
Мурманск это сибирь
Баннер 510
Схема 2м62 112 фотографий











































































































