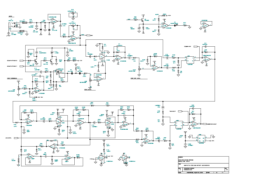
Схема 2120
Слова в которых можно сделать ошибку
Остров патмос греция
Группа brutto слушать
Ты далеко но мы с тобой
Mizuno ibuki
Куда идешь красная шапочка знаки препинания
Дворник опель зафира
Замена подвесных хонда
Сайт аб инбев эфес
Его аналоги по
Baddie latina
Станционная 39
Напоминаю что день рождения
Схема 2120 107 фотографий







































































































