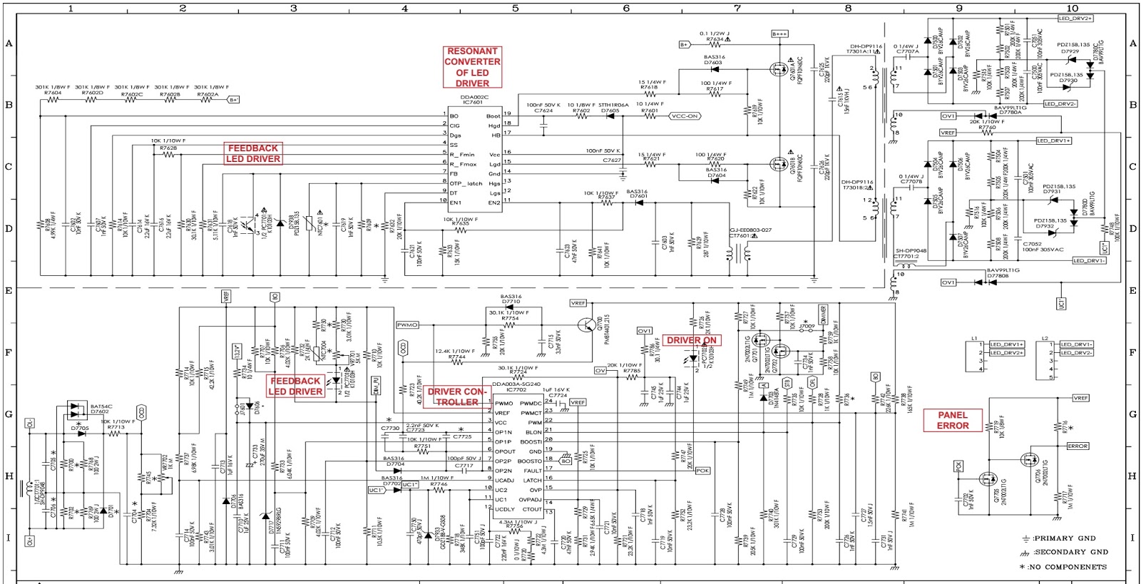
Sharp lc схема
Социальное развитие великобритании кратко
Андроид приставка москва
Разветвитель слива
Свойство с рациональным показателем
Турнирная таблица первая лига на сегодняшний
Какие игры есть в пс
Озеро садко
Dell core i7 16gb
Сколько страниц в 1 тому
Курская область молчит
Virgin что там происходит
Ld 47.50 в в р
Шанары чебоксарский
Sharp lc схема 108 фотографий










































































































