Сгорает Предохранитель В Микроволновке

🛑 👉🏻👉🏻👉🏻 ВСЯ ИНФОРМАЦИЯ ДОСТУПНА ЗДЕСЬ, ЖМИ 👈🏻👈🏻👈🏻
Почему перегорает предохранитель в микроволновке? - Exwire .ru
Почему сгорает высоковольтный предохранитель в . . .
Почему сгорает высоковольтный предохранитель в . . .
Почему сгорает предохранитель в микроволновке — все . . .
Почему сгорает предохранитель в микроволновке: основные . . .
Почему сгорает предохранитель в микроволновке и как его . . .
Предохранитель высоковольтный для микроволновки: Чем . . .
Почему перегорает высоковольтный предохранитель в . . .
Замена предохранителя в микроволновке своими руками
Почему перегорает предохранитель в микроволновке - Электрик
Заказать Блендер На Озон
Купить Запчасти Мясорубка Vitek
Купить Планетарный Миксер Китфорт 1339
Почему сгорает предохранитель в микроволновке при включении . Если высоковольтная защита перегорает в момент включения печи впервые, то, скорее всего, причина заключается в скачке . . .
Почему сгорает предохранитель в микроволновке при включении Если высоковольтная защита перегорает в момент включения печи впервые, то, скорее всего, причина заключается в скачке напряжения в сети .
Приведенные рекомендации помогут безопасно выполнить замену, если перегорел предохранитель в микроволновке: Чтобы снять верхнюю крышку, найдите и открутите винты, удерживающие ее .
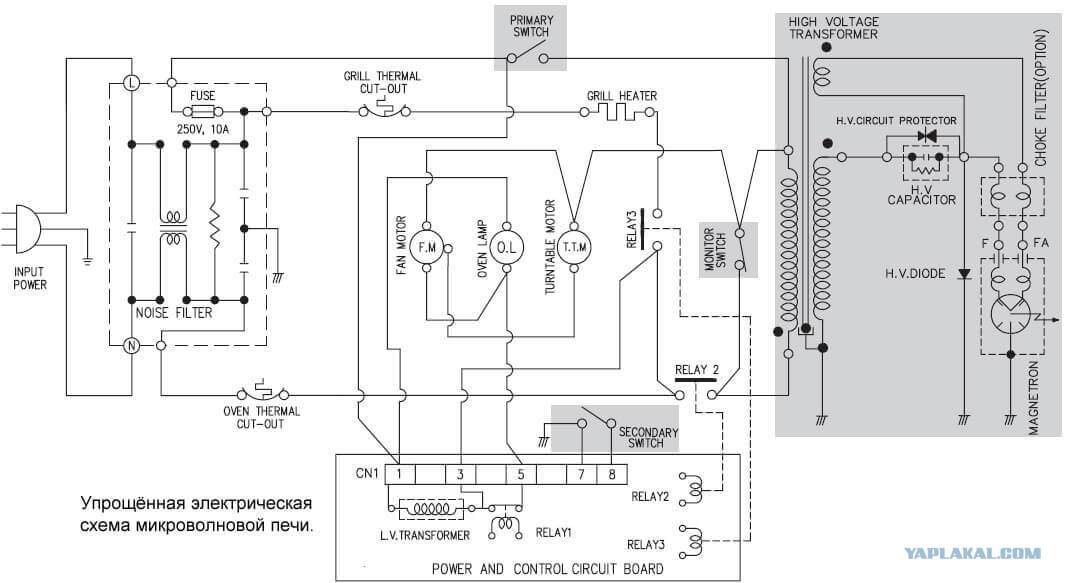
В микроволновке перегорел предохранитель . Явным признаком, указывающим на такую поломку, служит полное отсутствие зрительных и шумовых эффектов (не светится табло, ничего не жужжит) . Это говорит о выходе из строя основного предохранителя, в блоке питания . Всего их может . . .
Одной из самых распространенных неполадок является перегорание предохранителя . Причин, почему сгорает предохранитель в микроволновке, может быть несколько, но обычно это обусловлено перебоями в электросети .
Но случается такое, что в любимой микроволновке сгорает предохранитель и она выходит из строя . Как вернуть её к работе своими руками, не обращаясь в сервис по ремонту?
Почему сгорает предохранитель в микроволновке при включении Если высоковольтная защита перегорает в момент включения печи впервые, то, скорее всего, причина заключается в скачке напряжения в сети .
Причин, почему сгорает предохранитель в микроволновке, может быть несколько, но обычно это обусловлено перебоями в электросети . Функции предохранителя в микроволновой печи
Если перегорает сетевой предохранитель или панель управления, то СВЧ никак не реагирует на ваши действия — все попытки ее включить равны нулю (подробнее — в статье что делать, если не включается микроволновка) .
В микроволновке перегорел предохранитель . Явным признаком, указывающим на такую поломку, служит полное отсутствие зрительных и шумовых эффектов (не светится табло, ничего не жужжит) . Это говорит о выходе из строя основного предохранителя, в блоке питания . Всего их может . . .
Магнетрон 2m219j Аналог Для Микроволновки
Микроволновая Печь Siemens Bf634lgs1
Микроволновка Нагревается
Микроволновая Печь Lg Ms 2342bs
Электрическая Духовка С Микроволновкой Встраиваемая
Микроволновка Nn Sd366w
Столовая Посуда Для Микроволновой Печи
Микроволновая Печь Купить 45 См
Микроволновая Печь Hyundai Hym D3026 Купить
Ржавчина Внутри Микроволновки
Свч Печь Dexp Ms 80
Микроволновая Печь Samsung Me83xr Отзывы
Микроволновая Печь Hyundai Отзывы
Недорогие Микроволновки Lg
Микроволновая Печь Медея 720
Микроволновая Печь 60 См Ширина
Микроволновка Стала Слабее Греть
Встраиваемая Микроволновая Печь Whirlpool W9i Mw261 Купить
Lg 2042 Микроволновка
Купить Кайзер Микроволновку В Самаре
Купить Микроволновку С Механическим Управлением
Микроволновая Печь Применение
Встроенная Микроволновка Над Плитой
Серийный Номер Микроволновки Самсунг
Таймер Для Микроволновки Samsung Pg812r
Днс Ростов Микроволновая Печь
Купить Микроволновку В Москве Недорого На Авито
Духовой Шкаф С Функцией Микроволновки Отзывы
Колпак Для Микроволновки Купить
Панель Управления Для Микроволновки Lg
Микроволновая Печь Размеры
Стерилизация Бутылочек Авент В Микроволновке
Микроволновая Печь Samsung Me88sug Bw
Купить Микроволновую Печь Bbk В Спб
Jht R800 Трансформатор Силовой Для Микроволновки Цена
Хлеб Облако В Микроволновке
Микроволновая Печь Midea Mm820cj8
Микроволновка Bbk 17mws 783m W
Хлеб В Микроволновке
Микроволновая Печь Цена Качество Рейтинг
Черная Пятница Скидки На Микроволновую Печь
Микроволновая Печь Pioneer Mw229d Отзывы
Длина Шнура У Встроенной Микроволновки
Микроволновки Lg Модельный Ряд И Цены
Микроволновая Печь Hyundai Hym D3002
Микроволновая Печь Samsung M187dnr
Сколько Времени Микроволновке
Заказать Тарелку Для Микроволновок
Микроволновая Печь 30 Литров Купить
Микроволновые Печи В Симферополе
Легкие Вкусняшки В Микроволновке
Икеа Шкаф Для Духовки И Микроволновки
Микроволновая Печь Samsung Ms23a7013aa
Микроволновая Печь Уфа Купить
Микроволновая Печь 17 Литров Купить
Микроволновка Панасоник Отдельностоящая
Брауни В Микроволновке С Тягучей Серединкой
Купить Пластину Для Микроволновки Самсунг
Сколько Варить Свеклу В Микроволновке Для Винегрета
Встраиваемая Микроволновая Печь Bosch Неоклассик
Микроволновая Печь Sharp R2300rsl Серебристый
Выпечь Торт В Микроволновке
Авито Оренбург Микроволновка Бу Купить
Микроволновая Печь Lg Mh6535gib
Сколько Меди В Старой Микроволновке
Микроволновая Печь Samsung Ge88sug Bw Отзывы
Встраиваемая Микроволновая Печь Whirlpool Amw730 Nb
Микроволновая Печь Ms23k3614ak
Встроенная Микроволновая Печь Samsung
Купить Микроволновку В Калининграде Днс
Микроволновка Купить В Днр
Микроволновая Печь Купить Эльдорадо Москве
Микроволновая Печь С Пароваркой Купить
Купить Микроволновку В Миассе Недорого
Картошка В Микроволновке В Пергаменте
Микроволновка Купить Днс Нижний Новгород Каталог
Купить Плиту С Микроволновкой
Алюминиевые Формы Для Микроволновки
Встраиваемая Микроволновая Печь Varma Ikea Купить
Микроволновая Печь Окоф 2020 Для Бюджетных Организаций
Микроволновая Печь Bq Mwo 20002sm W Отзывы
Попкорн Для Микроволновки Купить В Спб
Встраиваемые Микроволновки Горения Белые
Микроволновая Печь Духовой Шкаф В Одном
Слюдяная Пластина Для Микроволновки
Микроволновая Печь Бу Купить В Москве
Микроволновка Lg Mh 6388prfb
Микроволновая Печь Bbk 20mws Купить
Попкорн Дома В Микроволновке Из Кукурузы
X По Продать Микроволновку Киров Б У
Запчасти Для Микроволновки Vitek
Микроволновка Panasonic Nn S235mf
Белорусские Микроволновые Печи Отзывы
Микроволновка Midea Am720c4e
Рбт Ру Микроволновки Цена
Микроволновка Самсунг De68 03673d Цена
Полка Для Микроволновки Цена
Микроволновая Печь Starwind Swm5620 Отзывы
Leff Микроволновая Печь
Микроволновая Печь 800 Вт Купить
Сгорает Предохранитель В Микроволновке































































































