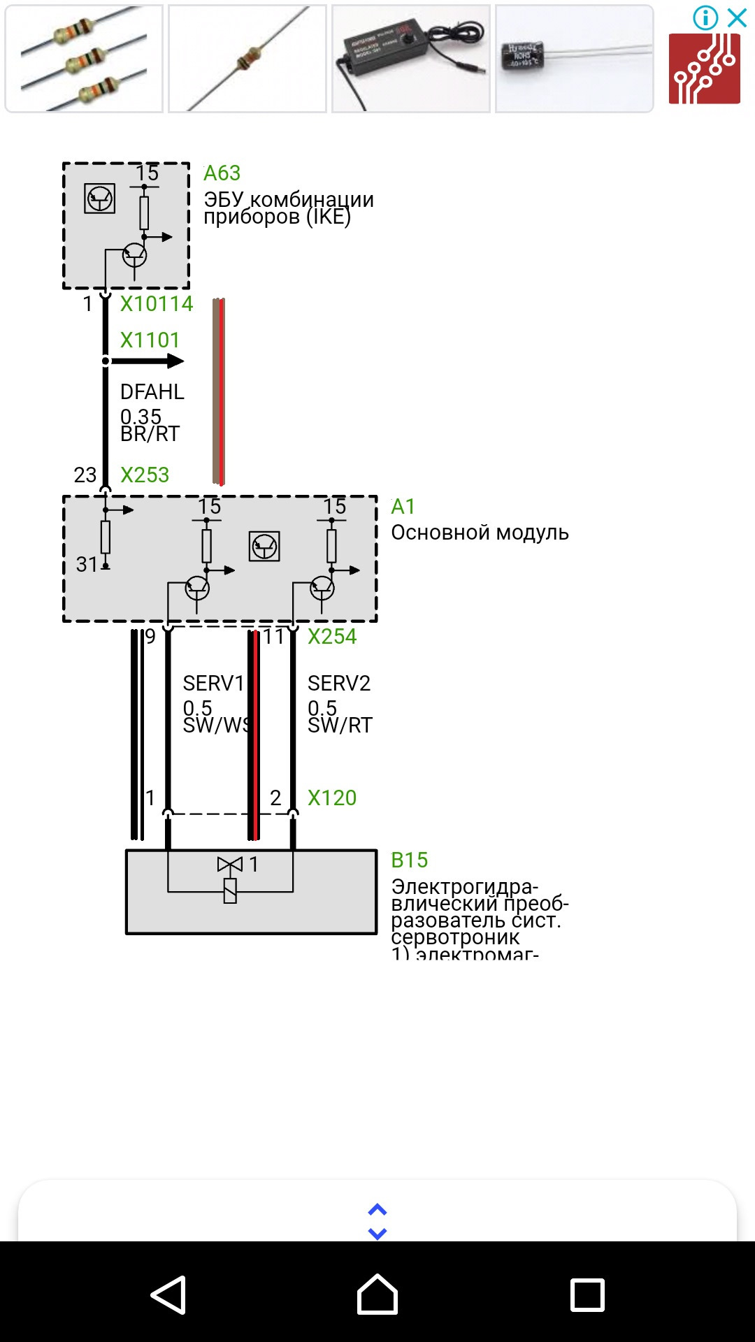
Сервотроник бмв е39
Сервотроник бмв е39 239 фото
Неостатин
Hdd raid 6
Пожелания хорошего месяца
Очистка возгонкой
Карбид кальция c2h2
Роял айленд резорт мальдивы
Город драконов 4 слушать аудиокнигу
Гаевская улица видное
Условными знаками укажите важнейшие месторождения полезных ископаемых
Тумбы напольные для ванной с ящиками











































































































































































































































