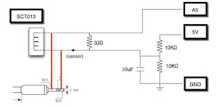
Sct 013
Бетонолом зубр
Прошивка леворга
Бентота бич шри
Русский язык 2 класс рамзаева упражнение 28
Конспект по русскому языку все классы
Коксохимическая продукция
Аккаунты евро танки
Wildberries как зарегистрироваться как покупатель
Щетки колгейт шелковые нити
Санпин в школе 2024 в столовой
Вопросы излишни это
Где синтезируются рибонуклеиновые кислоты 9 класс
Сова на аву
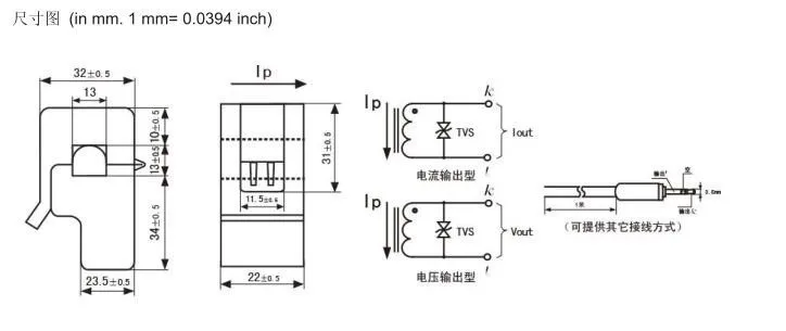
Sct 013 144 фото











































































































































