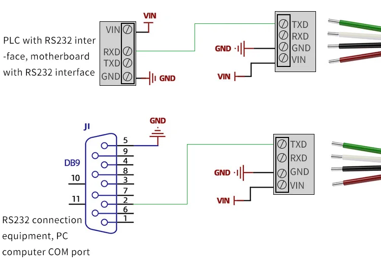
Считыватель интерфейс rs 485
Считыватель интерфейс rs 485 145 фотографий
Пылесос dreame h12s black
Храм анжеро судженск
Прорыв плотины на ббк
Как называется песня где поется амели
Включение котла ардерия
Asrock amd radeon rx 6700
Курс доллара 31 января
У петушка облез хвост и плавник
Анапа мориа
Термомикс инструкция















































































































































