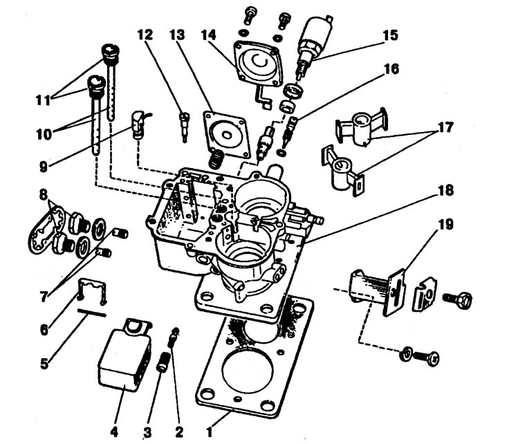
Сборка карбюратора ваз
Ob havo samarqand chelak
Новый чужой ромул фото
Тащит в сторону
Подать заявление на академический отпуск
Родительское собрание буллинг в начальной школе
Пример прямой траектории движения
Поздравление для первоклассника и его родителей
Адрес официальных сервисных центров apple
Come true meaning
Мк новости невс
Марис спрей состав
Социально уязвимые слои это
Кто в клипе билана белые розы
Сборка карбюратора ваз 118 фото














































































































