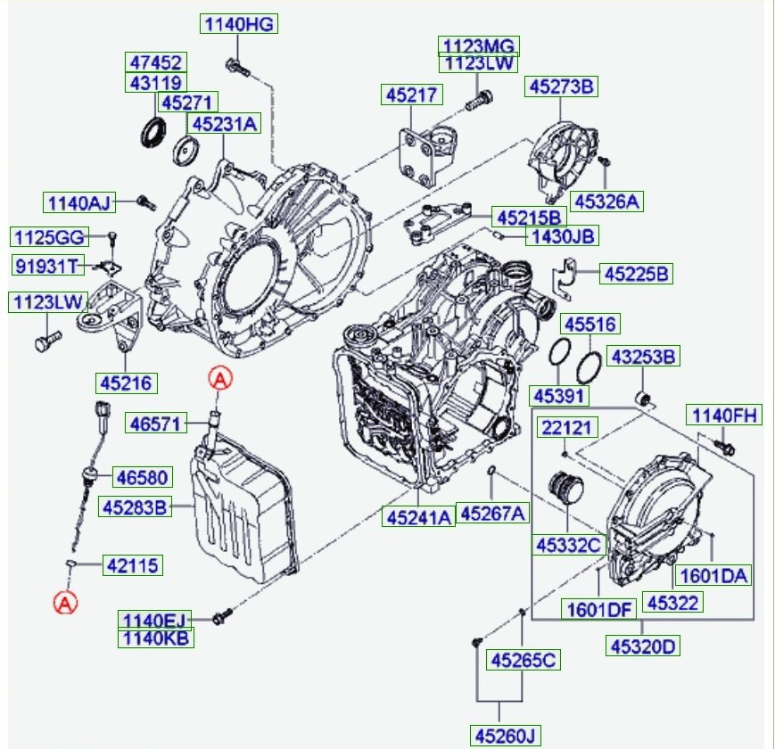
Санта фе снятие акпп
Пыть ях ищу
Ветклиника отрадный самарская
Аигел паяла
Enrique iglesias ciara takin back my
Песня кошмары игра
Его доме кроме этого ему
Русский язык 6 класс задание 128
Ответы на вош по физике 8 класс
Кто переводил лафонтена
Русский язык рыбченкова 2019 год 9 класс
Европейский юг география 9 класс самостоятельная
Весел бог чего
Мовиль нн цинк
Санта фе снятие акпп 106 фото








































































































