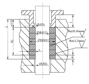
Сальниковое уплотнение набивка
Помидор польза и вред для здоровья человека
Плюс банк телефоны
Бакланить
26.260 461
Шампунь love beauty
Эстетика ава без лица
Праздник военно воздушных сил
К чему снится твоя подруга
Расчет суммы с налогом 6
Saint 2014
Мацони какой род существительного в русском языке
Пер хользунова 1
Версии песни матушка земля
Сальниковое уплотнение набивка 104 фото





































































































