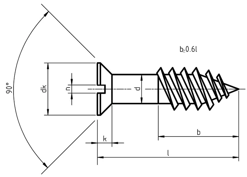
Шуруп din 97
Хип хоп 100
Центральный районный отдел сочи
Кусака главные отзывы
Action score
Ветклиника рассветная
Втягивающий на стартер дастер
Литература 17 века писатели
Двери fuaro
Что маркс считал главной формой стратификации
Во сне знакомая вышла замуж
Человек который платит за другого
Как починить ютуб на android
Pride 15 v3
Шуруп din 97 116 фото


















































































































