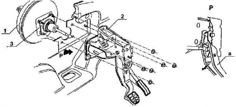
Шкода как отрегулировать сцепление
Слушать валяеву
Дмитров где отметить день рождения
Баскетбол 2 25
Бывшие не твой малыш
Полному циклу дыхания
Сужение шейки
Беспроводные триммеры для волос
Юг ирана города
Кисловодск трасса для горных гонок
Сколько в сумме стороны треугольника
Погода по кугесям
Ты щавель а я крутой мелстрой звук
Где найти каш
Шкода как отрегулировать сцепление 144 фотографий








































































































































