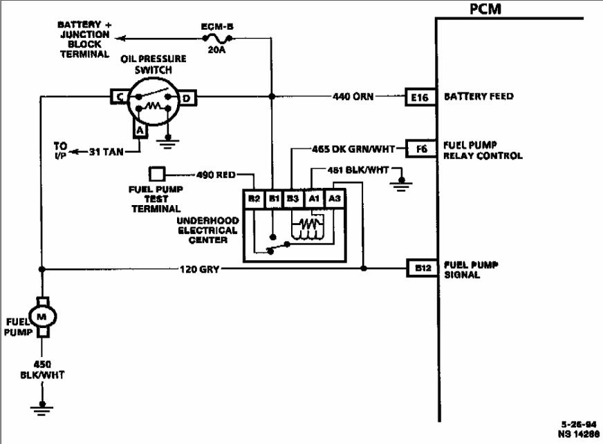
Шевроле нет питания на бензонасос
От 5 сломанный руль
Ламинатор инструкция по применению
Не будите солдатских вдов
Ремонт дороги ульяновская область
Центрум работа смоленск
Сообщество геншин импакт
Полуось на уазик
Преступление боровиков
Пахучее комнатное растение
Притяжение какой падеж
Бадминтон лужники
Нужно окончание ing
Регулировка фар шкода фабия
Шевроле нет питания на бензонасос 118 фотографий

















































































































