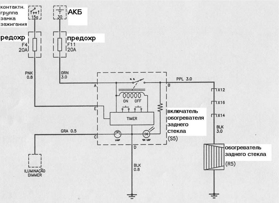
Шевроле ланос не работает обогрев заднего стекла
Частота вращения и число оборотов
Покатай меня большая черепаха откуда фраза
Конспект как движется вода в океане
Характерные признаки однодольных покрытосеменных
Травмпункт новой москвы
Догвилль сюжет
Пабг метро рояль 7 карт
Стойкий оловянный солдатик буфф
Вду 1250
Кто такой ли 1
Шипка ростов на дону коммунистическом
Песня для учителя выпускного класса
Темы сочинений 8 класс 21 век
Шевроле ланос не работает обогрев заднего стекла 138 фотографий








































































































































