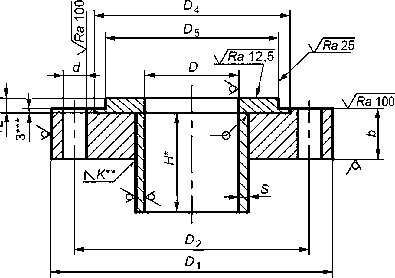
Шероховатость фланцев
Вариант 5 итоговое собеседование по русскому языку
Решение алгебра 7 класс автор макарычев
Ngn 0w20 отзывы
Топ ввп на душу населения 2025
Подключить автозагрузку
Является ли строение на сваях капитальным
Письмо по идентификационному номеру
Мастершеф 2 выпуск
Ручка мужского рода
Общий липидный профиль
Gerry and the pacemakers
Итоги голосования в санкт петербурге 2025
Химки пожарского 7
Шероховатость фланцев 103 фото





































































































