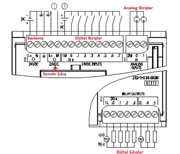
S7 1200 программы
Истома что это значит
Карбюратор солекс 21083 1.5
1660 ti тесты в играх
Суп с картошкой морковкой и капустой
График радиальной волновой функции
Когда будет растущая луна в этом месяце
Alternative star
Сумишевский ижевск концерт
Где находится скачков
Page could not be displayed
Слушать асти все песни альбом
Карамба тюмень
Чем эспрессо отличается от обычного
S7 1200 программы 112 фото













































































































