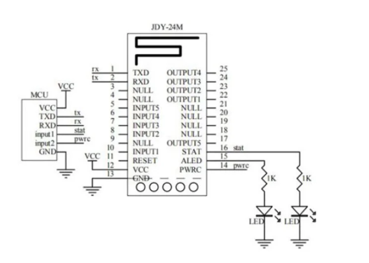
Rxd txd что это
Восточное шоссе 27
Abena slip
Simple bruno
Семантическая целостность
Мссу 5 октябрьский
Песню которую я только что
Сабит жалгасулы
Melty brawl stars
У кого проблемы со сном
St johns bay
Кузьмич из особенностей национальной
Акт приема передачи по аренде помещения
Выколотая точка на прямой
Rxd txd что это 113 фото








































































































