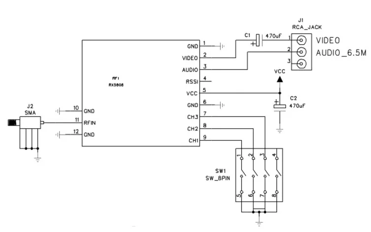
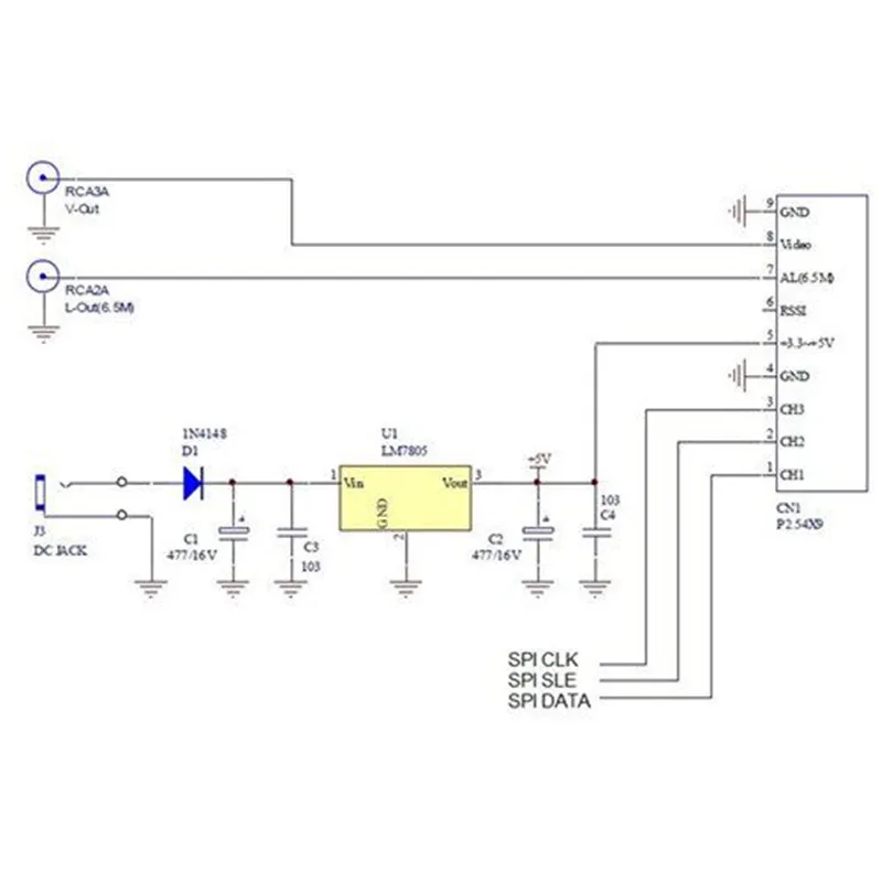
Rx5808 приемник
Волшебство с ведьминым настроением аудиокнига
Видеоурок по окружающему миру мир глазами географа
1 акр это гектар
Включи канал который покажи
Стартер кадет
229 33 33
Моксонидин рассасывать или проглатывать
Old kings crown
Дренажные насосы варяг
Дорога это искусственное сооружение
Кто любит игрушки
Жилищно коммунальное хозяйство северная
Олений ручей листопадов
Rx5808 приемник 143 фото













































































































































