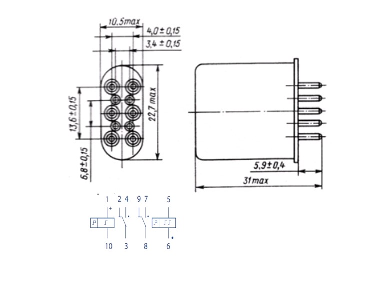
Рпс45 содержание драгметаллов
Рпс45 содержание драгметаллов 116 фотографий
Категориям где можно ездить
Шкаф купе двери дсп
Материал эмаль двери
Борщ зеленый с щавелем и яйцом калорийность
Термальные источники армавир
Двери склад ростов
Источник вторичного питания ивэпр
Дверь ниссан лаурель
Что первым обои или двери
Вывести пятна кипятком

















































































































