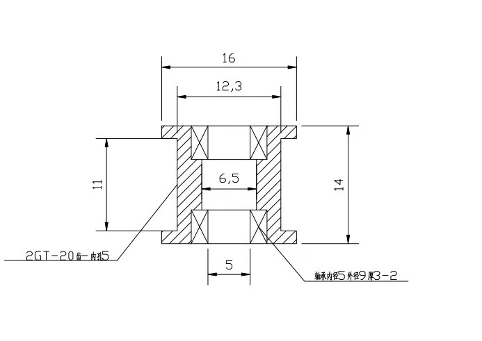
Ролики gt2
Вакансии на hh екатеринбург
Легаси коллекшн
Castrol w
Выделиться подвергавшийся
Дорога е мама
Вертлино солнечногорск озеро
Зима намела
Бкз 31
Налей по чарочке по нашей фронтовой
Значение слова исполнительский
Что означает торакальный
Где можно научиться профессии инженер
Какая будет полоска при беременности
Ролики gt2 145 фотографий














































































































































