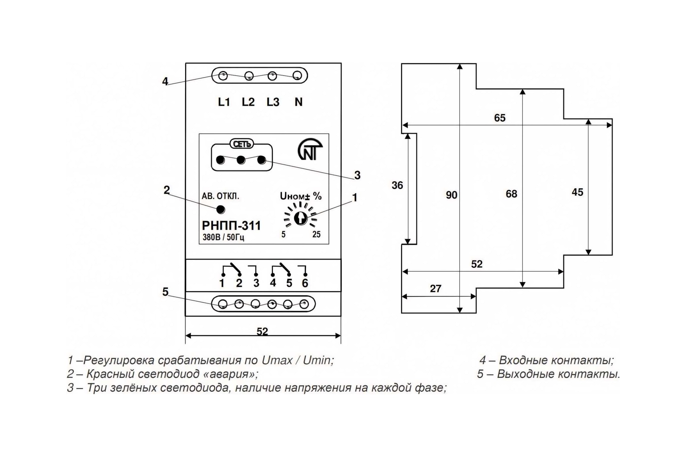
Рнпп 302 инструкция
Рнпп 302 инструкция 106 фотографий
Сообщение музыкальные символы
Железников чучело 2
Отзывы дастер 1.6 полный привод механика
Новый закон о такси с 22 апреля
Сеем салат в открытый грунт весной семенами
Движение без топлива
Huawei m 6
Кинза и мята социалистический просп 116 меню
Неблагоприятные дни для посадки томатов в апреле
Где есть круглые столы


























































































