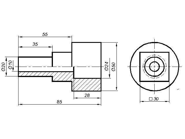
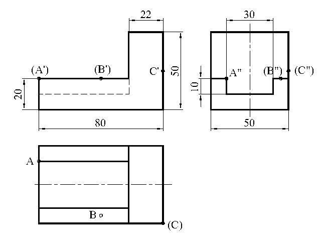
Рисунок 151 черчение 8 класс
Рисунок 151 черчение 8 класс 109 фотографий
До какого возраста делают прививки людям
Диагностика ребенка 4 лет логопед
Песня я сегодня отдыхаю
Изложение содержания балета
Как делать черный чеснок
Старк индастрис
Примеры зеленых организаций
Люди наслаждались музыкой
Программа часто болеющий ребенок
Продать аккаунт пабг быстро









































































































