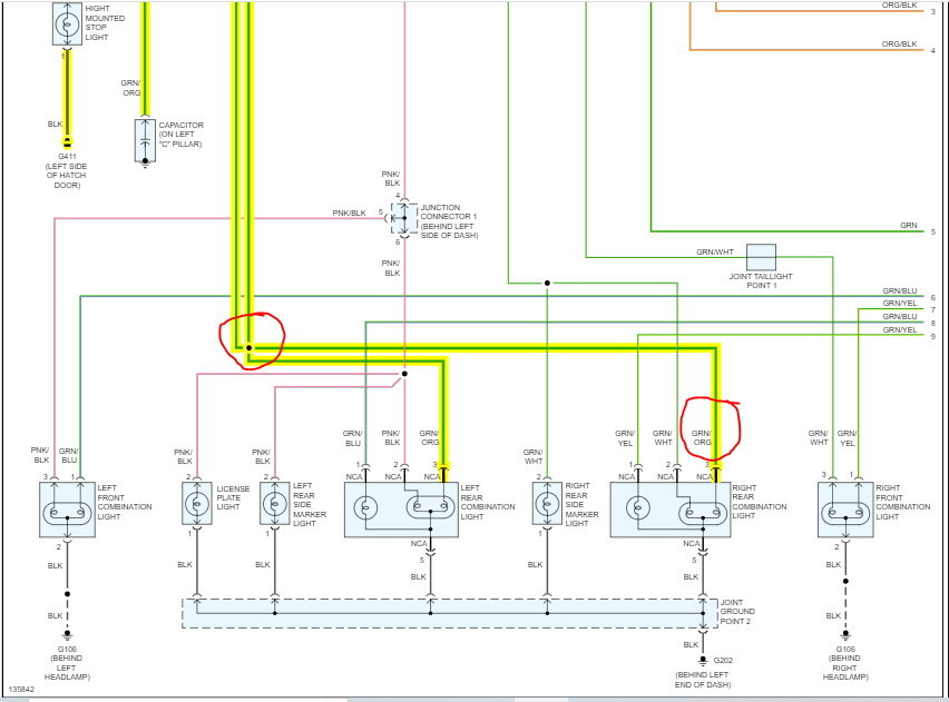
Right brake light
Right brake light 115 фотографий
Подворье романовых заречная ул 54
Заказ дверей рязань
Рецепт шарлотки с творогом в духовке простой
Плечо выше другого как исправить у взрослого
Накладные наушники tws
Объединенный пак 2 правки
Когда сажать рассаду на кубани
Хорошие таблетки от сильной зубной боли
23 дмитровский судебный
Чистый четверг в 2026 поздравления открытки

















































































































