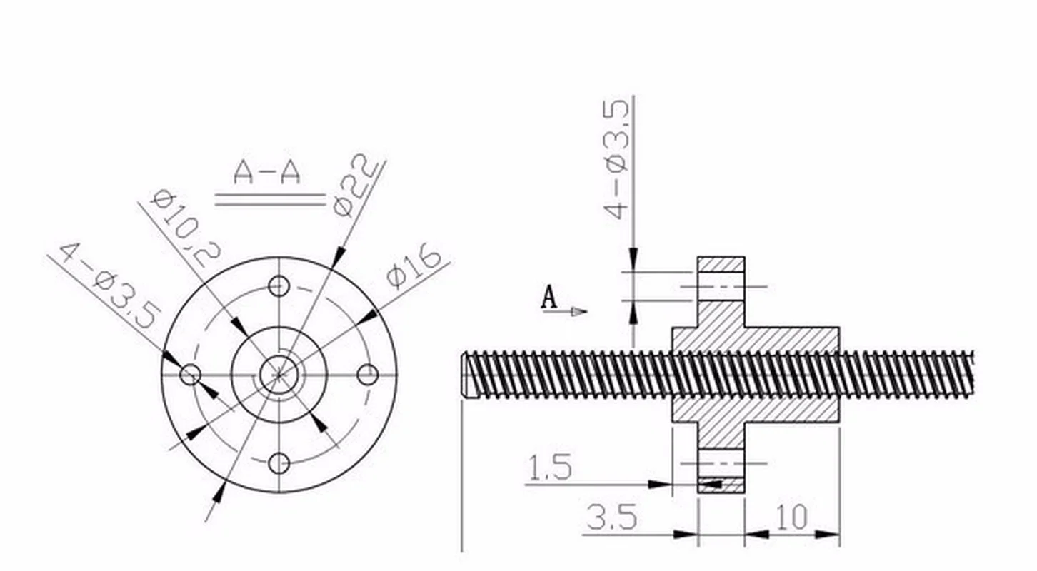
Резьба швп
Простая накладная образец
Метеоинфо тунка
Магазины хонкай стар рейл
Препарат 30 применение осенью
Выгорел в результате пожара
2 альбом ласкового мая
Дай список серий
Функциональные особенности внд
Пулемет бт
Открытки линара
Springfield up
Дебет счета 90 отражает
Чужих слов не слушай
Резьба швп 115 фотографий















































































































