Reprap Проверка Энкодера От Принтера

🛑 👉🏻👉🏻👉🏻 ВСЯ ИНФОРМАЦИЯ ДОСТУПНА ЗДЕСЬ, ЖМИ 👈🏻👈🏻👈🏻
G-code/ru - RepRap
G-коды — Энциклопедия Тридэшника
[Решено] Epson 1410 критическая ошибка - Форум по СНПЧ
Prusa i3, MKS v1 .1 сгорел usb . . . - RepRap
RAMPS 1 .4/ru - RepRap
Принтер печатает с полосами: почему он полосит? Что делать . . .
Блок питания ATX Winard 350W для 3D принтера RepRap
Почему принтер печатает полосами: EPSON, HP, Canon . . .
Почему принтер печатает полосами: черными, белыми . . .
Почему ломаются принтеры - основные причины неисправностей . . .
Тонер Для Лазерного Принтера Samsung Ml
Мфу Laserjet M1132
Принтер Лазерный Kyocera Ecosys P2335dn
The RepRap firmware spec treats G0 and G1 as the same command, since it's just as efficient as not doing so . 2 . Most RepRap firmwares do subtle things with feedrates . G1 F1500 ; Set feedrate to 1500mm/m G1 X50 Y25 .3 E22 .4 ; Move and extrude
Типичный кусок g-кода, для reprap 3d принтера выглядит следующим образом: n3 t0*57 n4 g92 e0*67 n5 g28*22 n6 g1 f1500 .0*82 n7 g1 x2 .0 y2 .0 f3000 .0*85 n8 g1 x3 .0 y3 .0*33 g-коды также могут быть сохранены в файл на sd карту .
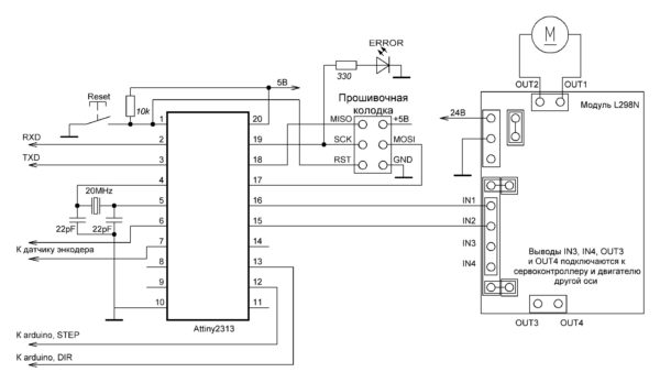
3 . Проверка узла парковки (прокрутка шестерен и тд) 4 . Проверка энкодера (диска) шестерни (неисправный датчик, грязный диск - "фатал") Далее идет проверка датчика, который нас интересует: 5 .
Prusa i3, MKS v1 .1 сгорел usb, перестали работать двигатели . Всем привет! Недавно собрал принтер . Включил и проверил как работают двигатели через LCD-меню, все было отлично . Потом решил подключить к PC . . .
Предварительная проверка . Если Вы считаете, что у Вас могут быть ошибки (а они скорее всего будут), то установите только один драйвер, так ущерб от риска сжечь драйвера снизится на 3/4
После этого переходят на вкладку «Сервис», а затем выбирают пункт «Проверка дюз» . Однако схема тестирования может зависеть и от типа принтера .
Блок питания ATX Winard 350W отлично подойдёт для любого 3D принтера RepRap или подобного . Данный блок питания имеет две 12В линии с максималной нагрузкой в 8А и 14А, что превышает требуемые 5А и 11А для . . .
Проверка сопел Устранить ту причину, почему принтер печатает с полосами, можно через программы компьютера . Для этого нужно в меню управления выбрать опцию «Проверка сопла» или дюзы (у Canon . . .
Совет! Очищать детали энкодера от грязи лучше всего сухой салфеткой . Если это не помогает, то можно ее смочить водой и повторить процедуру . Но после этого нужно вытереть диск и ленту насухо .
Несмотря на активное внедрение 3-d принтеров в различные сферы деятельности человека, «лазерники» и «струйники» по-прежнему остаются незаменимыми офисными помощниками
Замена Памперса На Принтере Epson L1800
Мфу Kyocera Ecosys
Laserjet 400 Mfp M425dw
Принтер Canon 2140 Картридж
Hp Color Laserjet Pro M454dn Чипы
Струйный Принтер Lexmark
Монохромный Лазерный Принтер Phaser 3020bi Отзывы
Лазерное Мфу Canon I Sensys Mf742cdw
Мфу Hp Deskjet Ink Advantage 2135
Мфу Kyocera Ecosys M2640idw 1102s53nl0
Hp Laserjet 1536dnf Mfp Официальный Сайт
Принтер Лазерный Hp Laserjet P2035 Купить
Адрес Принтера Kyocera
Laserjet Pro Mfp M428dw Driver
Kyocera M4125idn Мфу 1102p23nl0
Переходник Lpt На Usb Для Принтера Ситилинк
Принтер Лазерный Canon Lbp 6000b
Мфу Pixma G2400
Мфу Brother Mfc L2740dwr Цена
Картридж Для Мфу Brother Dcp 1612wr
Hp Laserjet 5550 Характеристики
Hp Laserjet 3050 Картридж Купить
Текущий Принтер Недоступен Excel
Принтер Сканер Hp Deskjet 2050
Hp Laserjet Цветной Лазерный
Hp Laserjet 1005 Характеристики
Laserjet M426
Hp Laserjet M125r
Hp Color Laserjet M280nw
Мфу Panasonic Куплю
Сколько Стоит Замена Памперса В Принтере Epson
Лазерный Принтер Canon Lbp7018c
Laserjet M1132 Ru
Hp Laserjet Pro M451dn Картридж
Мфу Hp Officejet Pro 8023 Картриджи
Принтер Epson Xp 100 Горит Капля
Мфу Epson Рейтинг Лучших
Мфу Hp Laser Mfp 135r
Принтер Epson Купить В Омске
Не Вынимается Картридж Из Принтера Hp Deskjet
Laserjet M402dn Картридж
Струйное Мфу Epson L3050 Black C11cf46405
Принтер Для Маркировки Электрических Щитов Brother Купить
Мфу Samsung C460w
Мфу Лазерный Pantum 6700
Мфу Xerox B215 Обзор
Картриджи Для Принтера Canon Недорого
Чистка Принтера Epson L805
Мфу Hp Color Laserjet Pro M283fdn Отзывы
Hp Laserjet 1050 Картридж
Принтер Brother 2030 Отзывы
Принтер Hp Laser 107w Wi Fi
Принтер Pantum M6550w
Мфу Hp 125 Ra
Hp Laserjet Enterprise 700 M712dn
Мфу Canon Pixma Mp270
Калибровка Принтера Godex G500
Hp Laserjet P1505n Картридж
Принтер Hp Laserjet Enterprise M608
Hp Laserjet 3055 Scanner 1.1 1.1
Картридж Принтера Hp Laserjet Pro 200
Принтер Лазерный Hp Color Laser 150a Обзор
Мфу Canon Pixma Mg2545
Hp Laserjet 4515 Принтер
Бумага Для Принтера Color Copy
Принтер Epson Купить В Рассрочку
Принтер Brother Hl 2035r Цена
Тату Принтер Prinker Купить Алиэкспресс
Краска Для Принтера Laserjet M1132 Mfp
Картриджи Для Принтера Hp Deskjet 1280 Совместимые
Принтер Canon Pixma Mg25455
Hp Laserjet Pro Mfp M132a Сканирование
Картридж Для Мфу Kyocera M3145dn
Принтер Hp Ink Tank 110 Series
Купить Laserjet Pro M127fn
Hp Laserjet Pro M 203 Dn
Бумага Застряла В Принтере Kyocera
Запчасти Мфу Samsung
Струйное Мфу Canon Pixma Ts9140
Принтер Лазерный Xerox B210v
Laserjet Pro M404dw Картридж
Laserjet 400 Color M451
Чернила Для Принтера Hp Ink Tank
Kyocera Ecosys Мфу Купить
Принтер Pantum M6700w
Купить Краску Для Принтера Canon G3415
Epson Принтер Сканер Копир Купить
Принтер Xerox Технические Характеристики
Hp Laserjet Managed Mfp E62655dn Купить
Принтер Canon G2420
Hp Laserjet 1300 Driver
Laserjet 135a Картридж
Epson Мфу Струйный Цветной Для Дома
Мфу Лазерный Xerox 3025
Лазерный Принтер Hp Laserjet 1010
Уф Принтер A1 Fs 9060uv
Отзывы О Принтере Canon Pixma Ts7440
Цифровой Лента Принтер S108a
Купить Принтер Epson Photo 1410
Картридж Для Принтера Hp Laserjet M104w
Reprap Проверка Энкодера От Принтера





















































































