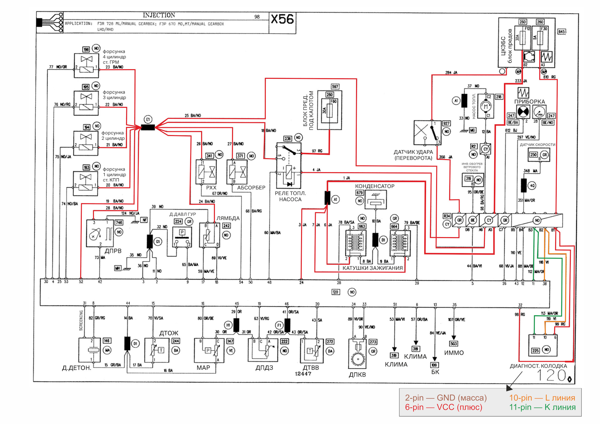
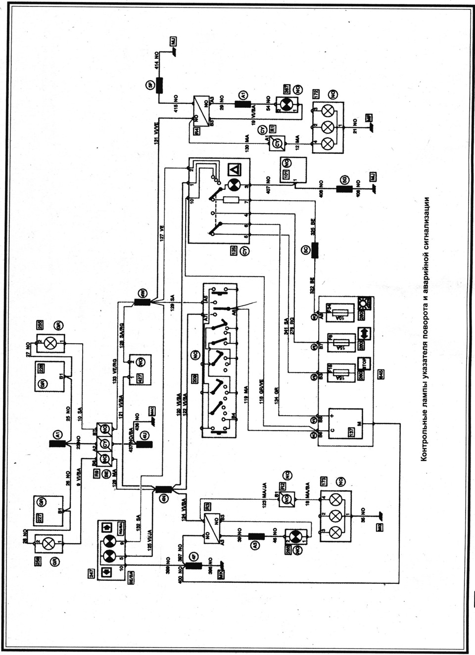
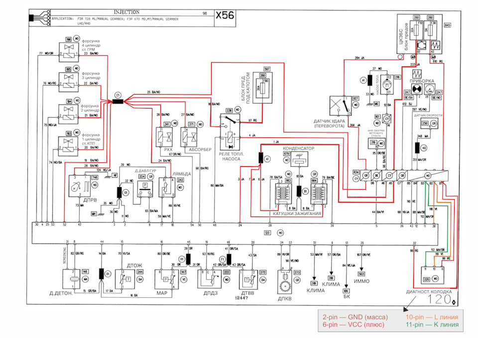
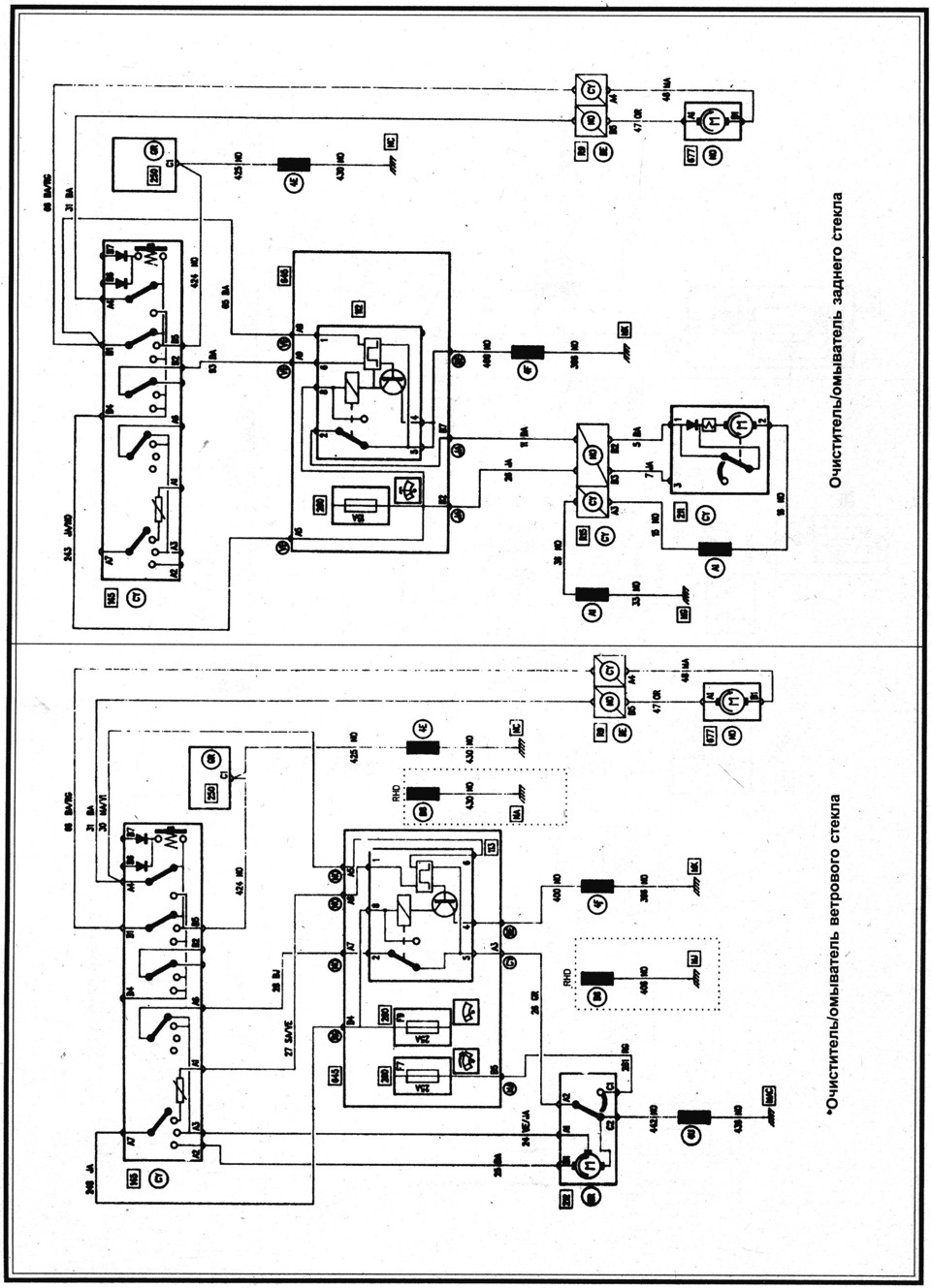
Рено лагуна электросхемы
Рено лагуна электросхемы 117 фотографий
Стих родной тете
Клапан запорно балансировочный латунный муфтовый ручной
Реле бензонасоса дастер
Japanese clinic
Stem world
Петра 1 не существовало
Аргументы информации примеры
Россияне тратят на еду
Мама ждала нас у крыльца
Начальная форма глагола плачешь


















































































































