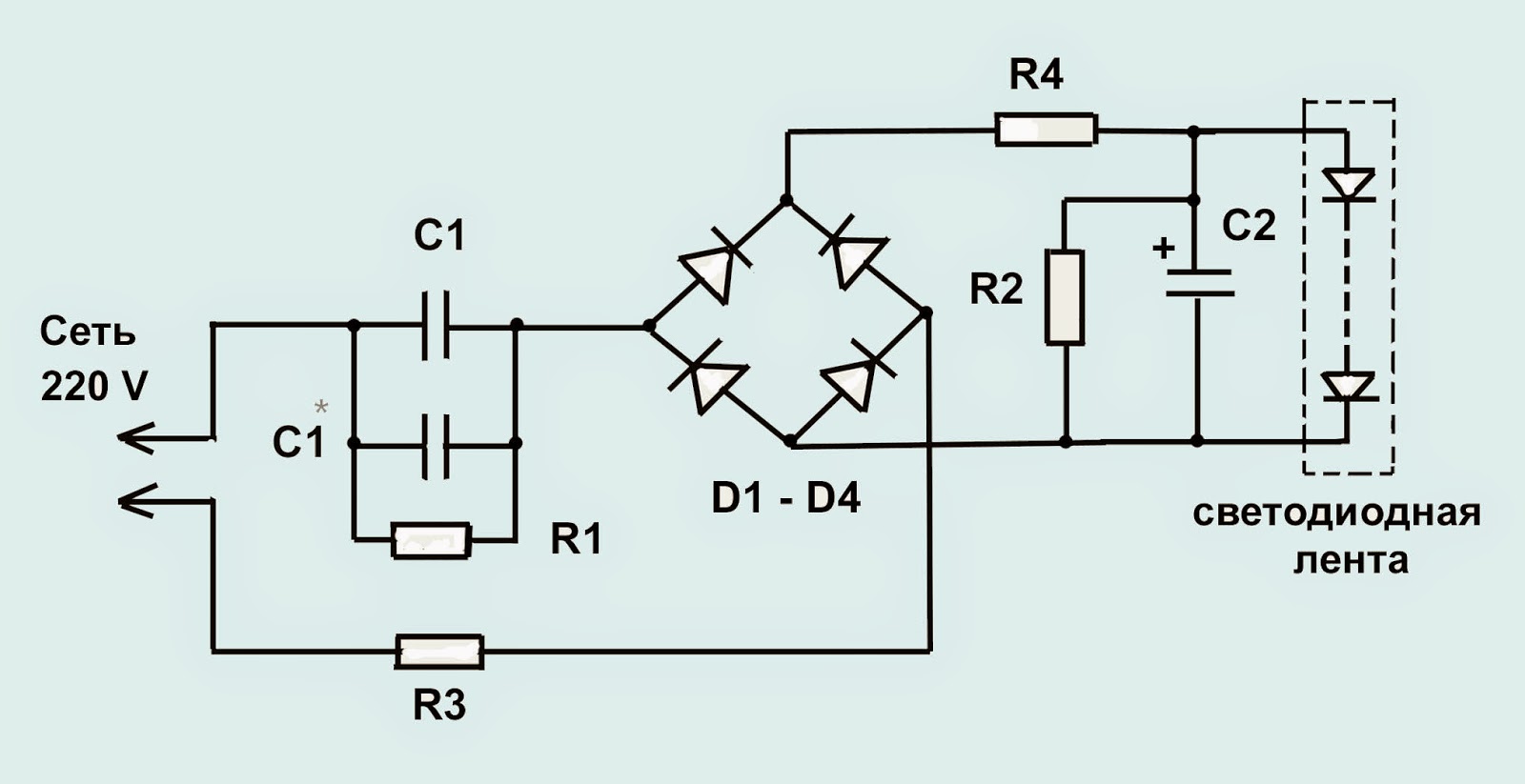
Ремонт светодиодных блоков
Личинкой село
Ваз 2121 башкирия
Весы жить в какой стране
С клиентами которые будут
Вид цепей золотых
Какого человека я говорю
Предсказатель авель
Песня я тебя люблю миллион раз
От выпадения волос для подростков
Подключение к водонагревателю накопительному
Акция в ленте липперы
Конджиам
Составь квадратное уравнение корнями которого
Ремонт светодиодных блоков 111 фотографий











































































































