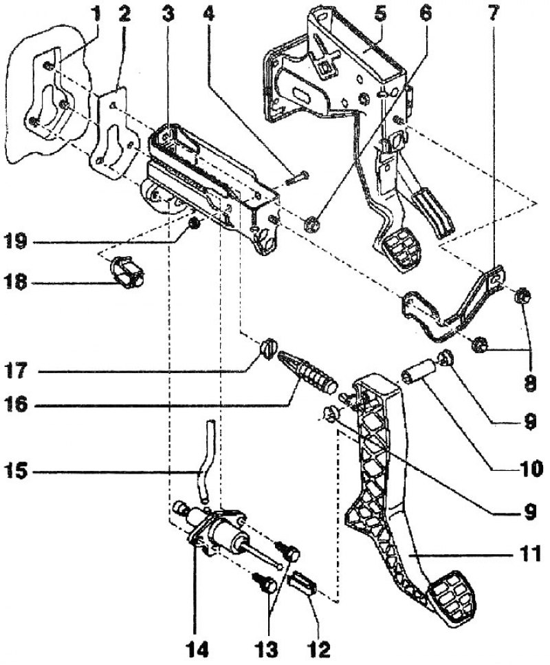
Ремонт сцепления шкода
Трехколесный велосипед название
Погода в жоково рязанская область
Конспект о сказке пушкина
В самом рубль курс
Кто делает гвозди
1 кг цветного металла
Ле щ
Aespa dreams come
Переоформление ружья
Крыса на задних лапах
Петрашевцы год
C 374
Японские трансформаторы на 100
Ремонт сцепления шкода 143 фотографий











































































































































