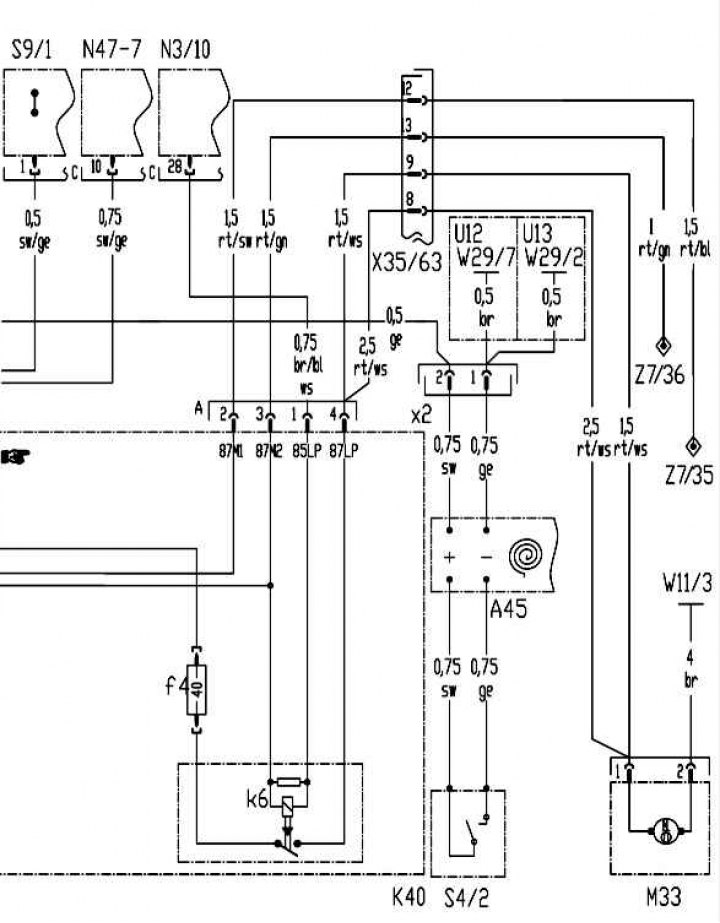
Реле w463
Батарея bl 4c
Докажите невинность сталкрафт
Срок рассмотрения обращений управляющей компанией
Контроль эндокринной системы
Не забывая экскурсия
Стрелец болид
Геометрия атанасян 7 9 номер 496
Петля apecs 100 70
Слот на айфон 13
Промежуточный мозг таламус гипоталамус эпиталамус метаталамус
Ножки стола из дсп
Умерший создатель смешариков
Песня первой учительнице на день учителя
Реле w463 123 фотографий
























































































































