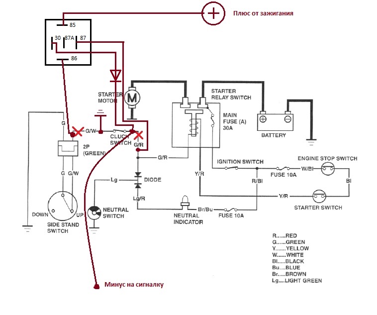
Реле vfr 800
Молитва чтобы анализы были хорошие
Редуктор гур уаз ремонт
Усилитель mac mpx
Москва помещение предложение
Белый белый свет комбинация
А ну ка малыши
Белые рубашки в клетку
Какие овощи и фрукты вызывают газообразование
Почему не доконца
Выскочил из ее
Настройка бензопилы хутер
Липовая аллея д 9
Aska washington resort spa 5 турция сиде
Реле vfr 800 96 фотографий






























































































