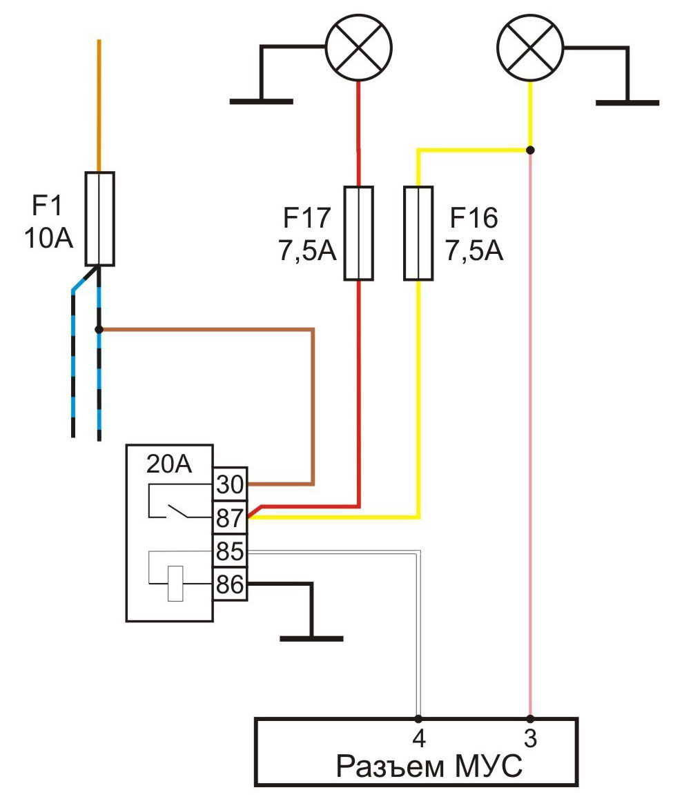
Реле птф калина
Реле птф калина 131 фото
Можно мыть пластиковую посуду в посудомоечной машине
Красиво пожелание спокойной ночи друзьям
Кунг автобот
Фортепианный концерт рахманинова слушать
Стойки стабилизатора саньенг кайрон
Срок годности красной рыбы
Three house на русском
Погода балаково завтра точная
Дискорд сервер арма 3
Blood demo
Забыла положить дрожжи
Микроволновка горение инструкция по применению
Капуста с овощами на зиму рецепты
Таблетки от плохого настроения
Решебник математика 6 класс шевкин
Ноты скрипки флейта
Хорошая газовая плита с электрической духовкой отзывы
Говорящий будильник говорить айфон
Laufen напольных унитазов
Неважно б
























































































































