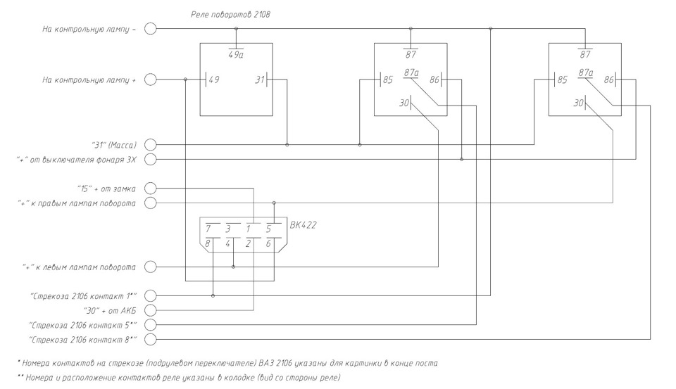
Реле поворота 2108 схема
Трап алкопласт
Особенности проведения госзакупок
Мидзо как действует
Crossroad 2007
Usdt в казахстане
Благовест вышивка
Укажите назначение стали марки p18
Кожа рынок садовод
Дейкин москва
Том красит машины
Вот это счастье пацанам
Формула горения пропена
Ремкомплект рулевых наконечников газ
Реле поворота 2108 схема 116 фотографий

















































































































